- Produttore / Marca
- Insuline Corp. Of America (ICA); New York City
- Anno
- 1934
- Categoria
- Radio (o sintonizzatore del dopoguerra WW2)
- Radiomuseum.org ID
- 44899
Clicca sulla miniatura dello schema per richiederlo come documento gratuito.
- Numero di tubi
- 5
- Principio generale
- Supereterodina (in generale); ZF/IF 132 kHz; 2 Stadi BF
- N. di circuiti accordati
- 5 Circuiti Mod. Amp. (AM)
- Gamme d'onda
- Onde medie (OM), lunghe (OL) e più di 2 gamme di onde corte (>2 x OC).
- Tensioni di funzionamento
- Alimentazione universale (doppia: CC/CA) / 108-250 Volt
- Altoparlante
- AP elettrodinamico (bobina mobile e bobina di eccitazione/di campo)
- Radiomuseum.org
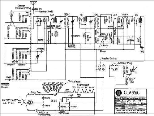
- Modello: Classic - Insuline Corp. Of America ICA;
- Fonte esterna dei dati
- Ernst Erb
- Riferimenti schemi
- Rider's Perpetual, Volume 5 = ca. 1934 and before
- Altri modelli
-
In questo link sono elencati 91 modelli, di cui 22 con immagini e 39 con schemi.
Elenco delle radio e altri apparecchi della Insuline Corp. Of America (ICA); New York City