- Country
- Germany
- Manufacturer / Brand
- Intel, Interelectric; Bad Aibling und München
- Year
- 1972 ?
- Category
- Television Receiver (TV) or Monitor
- Radiomuseum.org ID
- 219365
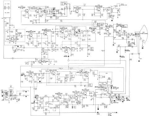
Click on the schematic thumbnail to request the schematic as a free document.
- Number of Tubes
- 1
- Valves / Tubes
- 310DMB4
- Number of Transistors
- 33
- Semiconductors
- Main principle
- Superheterodyne (common); ZF/IF 38900/33400 kHz; 2 AF stage(s)
- Wave bands
- VHF incl. FM and/or UHF (see notes for details)
- Power type and voltage
- Line / Batteries (any type) / 220 / 12 Volt
- Loudspeaker
- Permanent Magnet Dynamic (PDyn) Loudspeaker (moving coil)
- Material
- Plastics (no bakelite or catalin)
- from Radiomuseum.org
- Model: Porty 4002 - Intel, Interelectric; Bad
- Shape
- Portable set > 8 inch (also usable without mains)
- Dimensions (WHD)
- 400 x 300 x 300 mm / 15.7 x 11.8 x 11.8 inch
- Notes
-
Intel Porty 4002;
s/w TV.VHF Kanäle 2-12,
UHF Kanäle 21-69
- Net weight (2.2 lb = 1 kg)
- 11 kg / 24 lb 3.7 oz (24.229 lb)
- Source of data
- - - Manufacturers Literature
- Author
- Model page created by a member from A. See "Data change" for further contributors.
- Other Models
-
Here you find 50 models, 49 with images and 6 with schematics for wireless sets etc. In French: TSF for Télégraphie sans fil.
All listed radios etc. from Intel, Interelectric; Bad Aibling und München
Museums
The model Porty can be seen in the following museums.