Visiosón TV-VN1001-F
Inter Electrónica, S.A., Inter-Grundig, S.A.; Barcelona
- Pays
- Espagne
- Fabricant / Marque
- Inter Electrónica, S.A., Inter-Grundig, S.A.; Barcelona
- Année
- 1968 ?
- Catégorie
- Récepteur de télévision ou moniteur
- Radiomuseum.org ID
- 341712
Cliquez sur la vignette du schéma pour le demander en tant que document gratuit.
- No. de tubes
- 17
- Lampes / Tubes
- PC97 PCF805 EF183 EF183 EF80 PCL84 12ET1 PCL82 PCL85 PABC80 PCF80 PL500 PY88 DY87 EF80 PABC80 AW47-13W
- No. de transistors
- 2
- Principe général
- Super hétérodyne avec étage HF; FI/IF 38900 kHz; 2 Etage(s) BF
- Gammes d'ondes
- VHF/UHF (voir details en note)
- Tension / type courant
- Alimentation Courant Alternatif (CA) / 125; 220 Volt
- Haut-parleur
- HP dynamique à aimant permanent + bobine mobile / Ø 6.5 inch = 16.5 cm
- De Radiomuseum.org
- Modèle: Visiosón TV-VN1001-F - Inter Electrónica, S.A., Inter
- Remarques
-
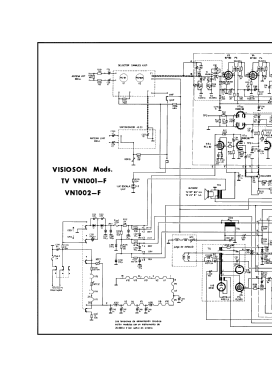
Inter Electrónica, S.A., Visiosón TV-VN1001-F
TV B/N 19"
Selector rotativo de VHF Inter 43.21
Sintonizador UHF transistorizado Inter 43.23Prácticamente el mismo esquema que el modelo Inter TV-261-F
- Schémathèque (1)
- -- Schematic (Esquemario TV REDE, Tomo VI, 1970)
- Auteur
- Modèle crée par Miguel Bravo-Cos. Voir les propositions de modification pour les contributeurs supplémentaires.
- D'autres Modèles
-
Vous pourrez trouver sous ce lien 366 modèles d'appareils, 229 avec des images et 193 avec des schémas.
Tous les appareils de Inter Electrónica, S.A., Inter-Grundig, S.A.; Barcelona