Alimentatore stabilizzato DC-RPS-500
IRME (Industrie Radio Meccaniche Elettriche); Roma
- Paese
- Italy
- Produttore / Marca
- IRME (Industrie Radio Meccaniche Elettriche); Roma
- Anno
- 1972–1975 ?
- Categoria
- Alimentatore/stabilizzatore di alimentazione o batteria o caricabatterie
- Radiomuseum.org ID
- 224929
Clicca sulla miniatura dello schema per richiederlo come documento gratuito.
- Numero di transistor
- 33
- Semiconduttori
- 2N3771 2N3771 2N3771 2N3771 2N3771 2N3771 2N3771 2N3771 2N3771 2N3771 2N3771 2N3771 2N3055 2N5293 2N5293 2N5293 40362 40362 2N4853 2N2907 2N2907 2N2907 2N2907 2N2907 2N2907 2N2222 2N2222 2N2222 2N2222 2N2222 2N2222 2N2102 2N2102
- Tensioni di funzionamento
- Batteria di accumulatori, per tutto (es. autoradio, radio amatoriali) / 12; 24 Volt
- Altoparlante
- - - Nessuna uscita audio.
- Materiali
- Mobile di metallo
- Radiomuseum.org
- Modello: Alimentatore stabilizzato DC-RPS-500 - IRME Industrie Radio
- Forma
- Apparecchio per ripiani a scaffale (come i componibili HiFi).
- Dimensioni (LxAxP)
- 450 x 200 x 205 mm / 17.7 x 7.9 x 8.1 inch
- Annotazioni
-
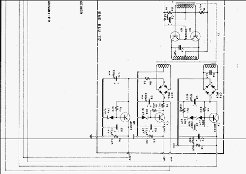
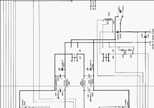
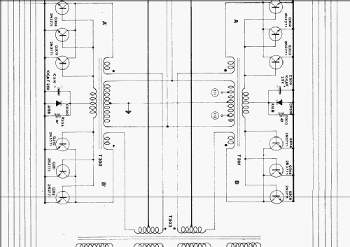
Il seguente alimentatore switching è fornito dei seguenti transistor:
12x 2N3771 2N3055 3x 2N5293 2x 40362 2N4853 6x 2N2907 6x 2N2222A 2x 2N2102.Alimentazione da 10 a 16 V cc, nominali 12 V 750 W max.
Alimentazione da 20 a 32 V cc, nominali 24 V 750 W max.
Esistono tre modelli di alimentatore, si distinguono dalla lettera finale della sigla:
- A: 600 V-0,7 A, 250 V-0,07A, 24 V-2A.
- B: 750 V-0,7 A, 310 V-0,07 A, 24 V-2 A.
- C: 1000 V-0,5 A, 300 V-0,07 A, 24 V-2 A.
- Peso netto
- 12 kg / 26 lb 6.9 oz (26.432 lb)
- Fonte dei dati
- -- Original-techn. papers.
- Autore
- Modello inviato da Fabio Masetti. Utilizzare "Proponi modifica" per inviare ulteriori dati.
- Altri modelli
-
In questo link sono elencati 24 modelli, di cui 17 con immagini e 14 con schemi.
Elenco delle radio e altri apparecchi della IRME (Industrie Radio Meccaniche Elettriche); Roma