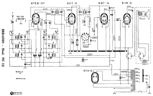
NU12
Irradio; Milano
- Land
- Italien / Italy
- Hersteller / Marke
- Irradio; Milano
- Jahr
- 1947
- Kategorie
- Rundfunkempfänger (Radio - oder Tuner nach WW2)
- Radiomuseum.org ID
- 106786
Klicken Sie auf den Schaltplanausschnitt, um diesen kostenlos als Dokument anzufordern.
- Anzahl Röhren
- 5
- Hauptprinzip
- Superhet allgemein; ZF/IF 470 kHz
- Wellenbereiche
- Wellen in den Bemerkungen.
- Betriebsart / Volt
- Wechselstromspeisung / 110; 125; 140; 165; 220 Volt
- Lautsprecher
- Dynamisches System?
- Material
- Gerät mit Holzgehäuse
- von Radiomuseum.org
- Modell: NU12 - Irradio; Milano
- Form
- Tischgerät-gross, - Querformat (breiter als hoch oder quadratisch).
- Datenherkunft
- Guida Pratica Antique Radio II (2000)
- Autor
- Modellseite von Alessandro De Poi angelegt. Siehe bei "Änderungsvorschlag" für weitere Mitarbeit.
- Weitere Modelle
-
Hier finden Sie 277 Modelle, davon 205 mit Bildern und 122 mit Schaltbildern.
Alle gelisteten Radios usw. von Irradio; Milano