- Land
- USA
- Hersteller / Marke
- Irving Radio Corp.; Columbus, OH
- Jahr
- 1926
- Kategorie
- Rundfunkempfänger (Radio - oder Tuner nach WW2)
- Radiomuseum.org ID
- 45138
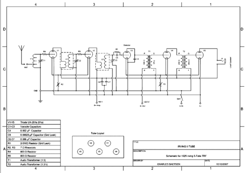
Klicken Sie auf den Schaltplanausschnitt, um diesen kostenlos als Dokument anzufordern.
- Anzahl Röhren
- 5
- Röhren
- UV201A or UX201A UV201A or UX201A UV200 or UX200A or UV201A or UX201A UV201A or UX201A UV201A or UX201A or UX112
- Hauptprinzip
- Geradeaus ohne Rückkopplung
- Anzahl Kreise
- 3 Kreis(e) AM
- Wellenbereiche
- Mittelwelle, keine anderen.
- Betriebsart / Volt
- Akku und/oder Batterie
- Lautsprecher
- - Für Kopfhörer oder NF-Verstärker
- Material
- Gerät mit Holzgehäuse
- von Radiomuseum.org
- Modell: 44 - Irving Radio Corp.; Columbus,
- Form
- Tischgerät, Truhenform, meist mit Deckel (NICHT Schrägpult).
- Bemerkung
- Maybe the same as "favorite" and "44 Favorite". Three dials (primary tuning control knobs)
- Originalpreis
- 65.00 $
- Datenherkunft extern
- Ernst Erb
- Datenherkunft
- Radio Collector`s Guide 1921-1932
- Literaturnachweis
- The Radio Collector's Directory and Price Guide 1921 - 1965
- Weitere Modelle
-
Hier finden Sie 10 Modelle, davon 4 mit Bildern und 9 mit Schaltbildern.
Alle gelisteten Radios usw. von Irving Radio Corp.; Columbus, OH