Sirius {Сириус}
Izhevsk Radio Works
- Paese
- Unione Sovietica
- Produttore / Marca
- Izhevsk Radio Works
- Anno
- 1964
- Categoria
- Radio (o sintonizzatore del dopoguerra WW2)
- Radiomuseum.org ID
- 132397
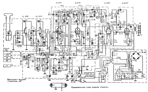
Clicca sulla miniatura dello schema per richiederlo come documento gratuito.
- Numero di tubi
- 5
- Principio generale
- Supereterodina (in generale); ZF/IF 465 kHz
- Gamme d'onda
- Onde medie (OM), lunghe (OL) e MF (FM).
- Particolarità
- Giradischi (non cambiadischi)
- Tensioni di funzionamento
- Alimentazione a corrente alternata (CA) / 127; 220 Volt
- Altoparlante
- 2 altoparlanti
- Potenza d'uscita
- 0.5 W (qualità ignota)
- Materiali
- Mobile in legno
- Radiomuseum.org
- Modello: Sirius {Сириус} - Izhevsk Radio Works
- Forma
- Soprammobile con pulsantiera/tastiera.
- Dimensioni (LxAxP)
- 549 x 322 x 315 mm / 21.6 x 12.7 x 12.4 inch
- Annotazioni
- Record player for 33, 45 and 78 rpm.
- Peso netto
- 14 kg / 30 lb 13.4 oz (30.837 lb)
- Bibliografia
- E.A. Levitin "Radio sets" Moscow 1967
- Autore
- Modello inviato da Zenonas Langaitis. Utilizzare "Proponi modifica" per inviare ulteriori dati.
- Altri modelli
-
In questo link sono elencati 14 modelli, di cui 14 con immagini e 9 con schemi.
Elenco delle radio e altri apparecchi della Izhevsk Radio Works