217C
Jackson Industries
- Country
- United States of America (USA)
- Manufacturer / Brand
- Jackson Industries
- Year
- 1952 ?
- Category
- Television Receiver (TV) or Monitor
- Radiomuseum.org ID
- 356058
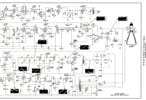
Click on the schematic thumbnail to request the schematic as a free document.
- Number of Tubes
- 20
- Valves / Tubes
- 6CB6 or 6BC5 or 6AG5 6J6 6CB6 or 6BC5 or 6AG5 6CB6 or 6BC5 or 6AG5 6CB6 or 6AU6 6AL5 6AC7 12AU7 6AU6 6T8 6V6GT 6SN7GT 6K6GT 6AL5 6SN7GT 6BG6G 6W4GT 1B3GT 5U4G 17BP4
- Main principle
- Superhet with RF-stage
- Wave bands
- Wave Bands given in the notes.
- Power type and voltage
- Alternating Current supply (AC) / 60Hz, 117V=110-120 Volt
- Loudspeaker
- Permanent Magnet Dynamic (PDyn) Loudspeaker (moving coil) / Ø 5 inch = 12.7 cm
- Material
- Wooden case
- from Radiomuseum.org
- Model: 217C - Jackson Industries
- Shape
- Console with any shape - in general
- Notes
-
Jackson model 217C is a 17” b/w TV with US standard VHF tuner channels 2 thru 13. Equipped with VHF tuner B-4100-33 and picture tube 17BP4.
- Literature/Schematics (1)
- Photofact Folder, Howard W. SAMS (Set 171, folder 7, dated 6-52)
- Author
- Model page created by Dirk Taekels. See "Data change" for further contributors.
- Other Models
-
Here you find 61 models, 16 with images and 58 with schematics for wireless sets etc. In French: TSF for Télégraphie sans fil.
All listed radios etc. from Jackson Industries