- Pays
- Etats-Unis
- Fabricant / Marque
- Jackson Industries
- Année
- 1951 ?
- Catégorie
- Récepteur de télévision ou moniteur
- Radiomuseum.org ID
- 347608
Cliquez sur la vignette du schéma pour le demander en tant que document gratuit.
- No. de tubes
- 20
- Lampes / Tubes
- 6CB6 or 6AG5 or 6BC5 6J6 6AG5 6AG5 6AU6 6AL5 6AC7 12AU7 6AU6 6T8 6V6GT 6SN7GT 6K6GT 6AL5 6SN7GT 6BG6G or 6CD6G 6W4GT 1X2 5U4G 12LP4A
- Principe général
- Super hétérodyne avec étage HF
- Gammes d'ondes
- Bandes en notes
- Tension / type courant
- Alimentation Courant Alternatif (CA) / 60 Hz, 117V = 110 -120 Volt
- Haut-parleur
- HP dynamique à aimant permanent + bobine mobile
- Matière
- Matériaux divers
- De Radiomuseum.org
- Modèle: 312 - Jackson Industries
- Forme
- Modèle de table générique
- Remarques
-
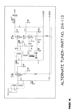
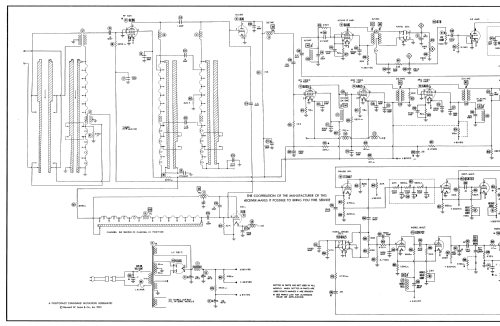
Jackson model 312 is a 12” b/w TV with US standard VHF tuner channels 2 thru 13.
Equipped with VHF tuner 214-130 and picture tube 12LP4A.
- Schémathèque (1)
- Photofact Folder, Howard W. SAMS (set 132, folder 8, dated 5-51)
- Auteur
- Modèle crée par Dirk Taekels. Voir les propositions de modification pour les contributeurs supplémentaires.
- D'autres Modèles
-
Vous pourrez trouver sous ce lien 61 modèles d'appareils, 16 avec des images et 58 avec des schémas.
Tous les appareils de Jackson Industries