724 Ch= 253
Kaye-Halbert Corp,; Los Angeles (CA)
- Produttore / Marca
- Kaye-Halbert Corp,; Los Angeles (CA)
- Anno
- 1951 ?
- Categoria
- Televisore (TV) / Monitor
- Radiomuseum.org ID
- 350181
Clicca sulla miniatura dello schema per richiederlo come documento gratuito.
- Numero di tubi
- 25
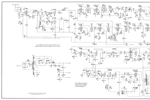
- Valvole
- 6CB6 or 6AG5 6J6 6CB6 6CB6 6CB6 6AL5 6AU6 6K6GT 6AU6 6AU6 6AU6 6AL5 6AU6 6K6GT 6AU6 6SN7GT 6S4 6AL5 6SN7GT 6AU5 or 6AV5 6W4GT 1B3GT 5Y3GT 5Y3GT 17BP4
- Principio generale
- Supereterodina con stadio RF
- Gamme d'onda
- Gamme d'onda nelle note.
- Tensioni di funzionamento
- Alimentazione a corrente alternata (CA) / 60 Hz, 117V = 110 -120 Volt
- Materiali
- Mobile di metallo
- Radiomuseum.org
- Modello: 724 Ch= 253 - Kaye-Halbert Corp,; Los
- Forma
- Chassis o in scatola da montaggio
- Annotazioni
-
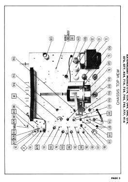
Kaye-Halbert model 724 is a b/w TV with US standard VHF tuner channels 2 thru 13.
Equipped with chassis 253, VHF tuner K510 and picture tube 17BP4.
- Letteratura / Schemi (1)
- Photofact Folder, Howard W. SAMS (Set 146, folder 8, dated 9-51)
- Letteratura / Schemi (2)
- Photofact Folder, Howard W. SAMS (Set 197, folder 1, dated 3-53)
- Autore
- Modello inviato da Dirk Taekels. Utilizzare "Proponi modifica" per inviare ulteriori dati.
- Altri modelli
-
In questo link sono elencati 41 modelli, di cui 17 con immagini e 40 con schemi.
Elenco delle radio e altri apparecchi della Kaye-Halbert Corp,; Los Angeles (CA)