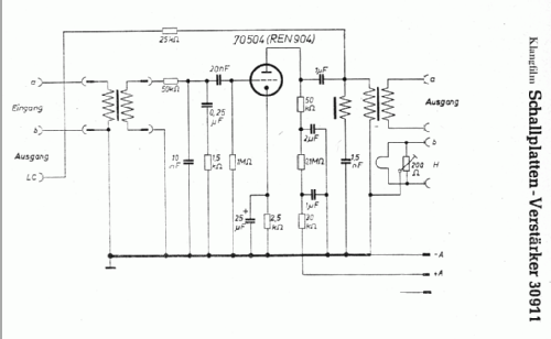
Schallplatten-Verstärker 30911
Klangfilm GmbH
- Paese
- Germania
- Produttore / Marca
- Klangfilm GmbH
- Anno
- 1953 ??
- Categoria
- Amplificatore audio o mixer audio
- Radiomuseum.org ID
- 104192
Clicca sulla miniatura dello schema per richiederlo come documento gratuito.
- Numero di tubi
- 1
- Valvole
- KL70504
- Principio generale
- Amplificatore audio
- Gamme d'onda
- - senza
- Tensioni di funzionamento
- Fornita mediante altra unità o unità principale.
- Altoparlante
- - Per cuffie o amplificatori esterni
- Radiomuseum.org
- Modello: Schallplatten-Verstärker 30911 - Klangfilm GmbH
- Letteratura / Schemi (1)
- -- Schematic
- Autore
- Modello inviato da Dirk Taekels. Utilizzare "Proponi modifica" per inviare ulteriori dati.
- Altri modelli
-
In questo link sono elencati 91 modelli, di cui 57 con immagini e 43 con schemi.
Elenco delle radio e altri apparecchi della Klangfilm GmbH