Stereo Duo - Maleta Tocadiscos
Königer (marca), Intravest; Barcelona
- Paese
- Spagna
- Produttore / Marca
- Königer (marca), Intravest; Barcelona
- Anno
- 1960
- Categoria
- Registratore audio/video e/o riproduttore
- Radiomuseum.org ID
- 357571
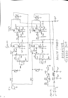
Clicca sulla miniatura dello schema per richiederlo come documento gratuito.
- Numero di tubi
- 3
- Principio generale
- Amplificatore audio
- Gamme d'onda
- - senza
- Particolarità
- Giradischi+AmplifBF+Altoparlant
- Tensioni di funzionamento
- Alimentazione a corrente alternata (CA) / 125; 220 Volt
- Altoparlante
- 2 altoparlanti
- Materiali
- Pelle / stoffa / plastica ma con altro materiale sottostante
- Radiomuseum.org
- Modello: Stereo Duo - Maleta Tocadiscos - Königer marca, Intravest;
- Forma
- Soprammobile basso, con andamento orizzontale (grosse dimensioni).
- Annotazioni
-
Königer (Intravest), Maleta Tocadiscos Stereo Duo
Curiosa maleta tocadiscos con dos tapas, una superior y una inferior, cada una con un altavoz, que al separarse dejan horizontal el mueble del plato.
- Plato Dual 295 de 4 velocidades
- Amplificador integrado con válvulas universales
- Control de volumen independiente para los dos canales
- Clavija jack para conexion altavoces externos de 8 Ω
PVP: 3.992 + 449,10 (I.L.) = 4.441,10 Pts
- Peso netto
- 9 kg / 19 lb 13.2 oz (19.824 lb)
- Prezzo nel primo anno
- 4,441.10 Pts
- Bibliografia
- Anuncio La Vanguardia Española junio 1960
- Autore
- Modello inviato da Francisco Costa-Bou. Utilizzare "Proponi modifica" per inviare ulteriori dati.
- Altri modelli
-
In questo link sono elencati 41 modelli, di cui 41 con immagini e 6 con schemi.
Elenco delle radio e altri apparecchi della Königer (marca), Intravest; Barcelona
Collezioni
Il modello Stereo Duo - Maleta Tocadiscos fa parte delle collezioni dei seguenti membri.