K-23
Kolster; USA
- Country
- United States of America (USA)
- Manufacturer / Brand
- Kolster; USA
- Year
- 1928
- Category
- Broadcast Receiver - or past WW2 Tuner
- Radiomuseum.org ID
- 45676
-
- Brand: International
Click on the schematic thumbnail to request the schematic as a free document.
- Number of Tubes
- 9
- Main principle
- TRF (Tuned-Radio-Frequency but use of regeneration unknown)
- Tuned circuits
- 4 AM circuit(s)
- Wave bands
- Broadcast only (MW).
- Power type and voltage
- Alternating Current supply (AC) / 110 Volt
- Loudspeaker
- Electro Magnetic Dynamic LS (moving-coil with field excitation coil)
- Material
- Wooden case
- from Radiomuseum.org
- Model: K-23 - Kolster; USA
- Shape
- Console, Lowboy (legs < 50 %).
- Dimensions (WHD)
- 45 x 25 x 16 inch / 1143 x 635 x 406 mm
- Notes
-
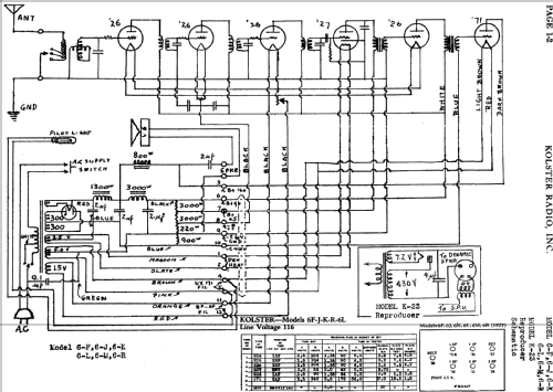
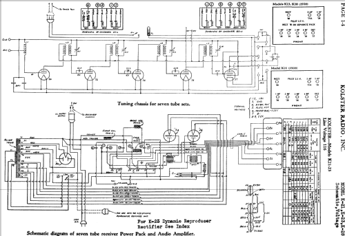
One dial (primary tuning control knob); 81 tube used in the K-23 reproducer.
Price, less tubes, $285
This model is manufactured by Brandes manufacturing for both Columbia and Kolster and uses the same two chassis as the Columbia C-4.
- Price in first year of sale
- 285.00 $
- External source of data
- Ernst Erb
- Source of data
- Radio Collector`s Guide 1921-1932
- Circuit diagram reference
- Rider's Perpetual, Volume 1 = 1931/1934 (for 1919-1931)
- Literature/Schematics (1)
- 1928 Kolster radio brochure
- Other Models
-
Here you find 104 models, 48 with images and 69 with schematics for wireless sets etc. In French: TSF for Télégraphie sans fil.
All listed radios etc. from Kolster; USA