- Land
- Grossbritannien (UK)
- Hersteller / Marke
- Kolster Brandes Ltd. (KB, K.B., ITT); Foots Cray; GB
- Jahr
- 1965
- Kategorie
- Rundfunkempfänger (Radio - oder Tuner nach WW2)
- Radiomuseum.org ID
- 176163
Klicken Sie auf den Schaltplanausschnitt, um diesen kostenlos als Dokument anzufordern.
- Anzahl Röhren
- 7
- Hauptprinzip
- Superhet allgemein; ZF/IF 470/10700 kHz; 2 NF-Stufe(n)
- Anzahl Kreise
- 6 Kreis(e) AM 8 Kreis(e) FM
- Wellenbereiche
- Langwelle, Mittelwelle, Kurzwelle und UKW.
- Spezialitäten
- Plattenwechsler
- Betriebsart / Volt
- Wechselstromspeisung / 200-250 Volt
- Lautsprecher
- 4 Lautsprecher
- Belastbarkeit / Leistung
- 5 W (Qualität unbekannt)
- Material
- Gerät mit Holzgehäuse
- von Radiomuseum.org
- Modell: KG022 GC2 - Kolster Brandes Ltd. KB, K.B.,
- Form
- Standgerät auf niedrigen Beinen (Beine < 50 % der Gesamthöhe).
- Abmessungen (BHT)
- 40 x 23.5 x 16 inch / 1016 x 597 x 406 mm
- Bemerkung
-
Stereo radiogram (mono radio) fitted with Garrard type Autoslim record changer unit. SW band 16-50m.
Speakers; 2 x 10x6 inch & 2 x 4 inch
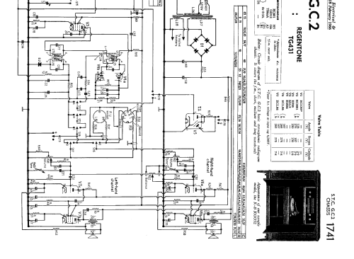
Chassis type GC2 is manufactured bt S.T.C. and used in models KG021, KG022, KG031, KG032, WG20. Also RGD model RG231, & Regentone model TG431.
- Nettogewicht
- 72 lb (72 lb 0 oz) / 32.688 kg
- Datenherkunft
- -- Schematic
- Schaltungsnachweis
- Radio and TV Servicing books (R&TVS) book
- Literatur/Schema (1)
- Trader Sheet 1741
- Autor
- Modellseite von Keith Staines angelegt. Siehe bei "Änderungsvorschlag" für weitere Mitarbeit.
- Weitere Modelle
-
Hier finden Sie 415 Modelle, davon 372 mit Bildern und 253 mit Schaltbildern.
Alle gelisteten Radios usw. von Kolster Brandes Ltd. (KB, K.B., ITT); Foots Cray; GB