DMM 4020
Kontron Electronics, München
- Paese
- Germania
- Produttore / Marca
- Kontron Electronics, München
- Anno
- 1979
- Categoria
- Strumento da laboratorio
- Radiomuseum.org ID
- 143619
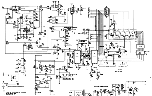
Clicca sulla miniatura dello schema per richiederlo come documento gratuito.
- Numero di transistor
- 14
- Semiconduttori
- 2N3906 2N4117 2N4124 2N4126 2N4403 2N4918 2N5416 MPS-A42 MPS-A92 MJE370 CA3130 CD4512 SN7448 SN74247 LF13741 E211 1N4005 1N4151 µA78xx LD120_Siliconix LD121A_Siliconix
- Gamme d'onda
- - senza
- Tensioni di funzionamento
- Rete / Batterie di accumulatori (eventualmente anche le batterie) / 115; 230 / 4 x 1,5 Volt
- Altoparlante
- - - Nessuna uscita audio.
- Materiali
- Mobile di metallo
- Radiomuseum.org
- Modello: DMM 4020 - Kontron Electronics, München
- Forma
- Soprammobile con pulsantiera/tastiera.
- Dimensioni (LxAxP)
- 216 x 68 x 276 mm / 8.5 x 2.7 x 10.9 inch
- Annotazioni
-
Vielfachmeßgerät DMM 4020, Innenwiderstand 10/1 Megohm, Frequenzbereich 30 Hz bis 20 kHz, Anzeigeart LED 4 ½, Anzeigenhöhe 11 mm.
Eingebautes Netzteil/Ladegerät, und Betrieb mit 4 x 1,5 V (1,25V) Baby-Batterie (Akku) möglich.
jeder Halbleitertyp nur 1 x gelistet
- Peso netto
- 2.2 kg / 4 lb 13.5 oz (4.846 lb)
- Prezzo nel primo anno
- 1,215.00 DM
- Fonte dei dati
- -- Original-techn. papers.
- Bibliografia
- Funkschau (Heft 15 Juli 1982)
- Autore
- Modello inviato da Karlheinz Fischer. Utilizzare "Proponi modifica" per inviare ulteriori dati.
- Altri modelli
-
In questo link sono elencati 10 modelli, di cui 9 con immagini e 5 con schemi.
Elenco delle radio e altri apparecchi della Kontron Electronics, München