Tenor 83-64-605
Krefft AG, W.; Gevelsberg (Westfalen): Weltfunk
- Pays
- Allemagne
- Fabricant / Marque
- Krefft AG, W.; Gevelsberg (Westfalen): Weltfunk
- Année
- 1948–1950
- Catégorie
- Radio - ou tuner d'après la guerre 1939-45
- Radiomuseum.org ID
- 15530
Cliquez sur la vignette du schéma pour le demander en tant que document gratuit.
- No. de tubes
- 4
- Principe général
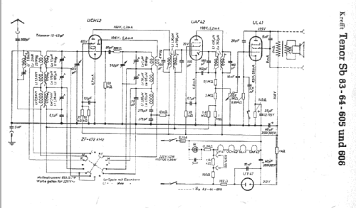
- Super hétérodyne (en général); FI/IF 472 kHz
- Circuits accordés
- 6 Circuits MA (AM)
- Gammes d'ondes
- PO, GO et OC
- Tension / type courant
- Appareil tous courants (CA / CC) / 110-220 Volt
- Haut-parleur
- HP dynamique à aimant permanent + bobine mobile / Ø 16 cm = 6.3 inch
- Matière
- Boitier en bois
- De Radiomuseum.org
- Modèle: Tenor 83-64-605 - Krefft AG, W.; Gevelsberg
- Dimensions (LHP)
- 380 x 240 x 185 mm / 15 x 9.4 x 7.3 inch
- Remarques
- [558, 572B]; Rundskala
- Poids net
- 4.7 kg / 10 lb 5.6 oz (10.352 lb)
- Prix de mise sur le marché
- 248.00 DM
- Source extérieure
- E. Erb 3-907007-36-0
- Source
- Katalog Weide, 1949/50. / Radiokatalog Band 2, Ernst Erb
- Littérature
- Funkschau (4914)
- D'autres Modèles
-
Vous pourrez trouver sous ce lien 125 modèles d'appareils, 84 avec des images et 81 avec des schémas.
Tous les appareils de Krefft AG, W.; Gevelsberg (Westfalen): Weltfunk