Sorrent 60 Ch= J609 TV-Ch= FET1021S
Kuba (Kuba-Imperial), G. Kubetschek; Wolfenbüttel
- Paese
- Germania
- Produttore / Marca
- Kuba (Kuba-Imperial), G. Kubetschek; Wolfenbüttel
- Anno
- 1959/1960
- Categoria
- Ricevitore TV e radio (ev. con magnetofono, giradischi, registratore a cassette ecc.)
- Radiomuseum.org ID
- 101308
-
- alternative name: Imperial Kuba
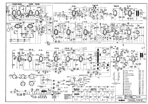
Clicca sulla miniatura dello schema per richiederlo come documento gratuito.
- Principio generale
- Supereterodina (in generale)
- Gamme d'onda
- Gamme d'onda nelle note.
- Particolarità
- Cambiadischi; Telecomando (con o senza filo)
- Tensioni di funzionamento
- Alimentazione a corrente alternata (CA) / 220 Volt
- Altoparlante
- 6 altoparlanti
- Materiali
- Mobile in legno
- Radiomuseum.org
- Modello: Sorrent 60 Ch= J609 TV-Ch= FET1021S - Kuba Kuba-Imperial, G.
- Forma
- Console di qualsiasi tipo
- Dimensioni (LxAxP)
- 1200 x 970 x 470 mm / 47.2 x 38.2 x 18.5 inch
- Annotazioni
- Fernseh-Chassis = FET1021S;
Rundfunk-Chassis = Vollstereo-Super 609;
Phono-Chassis = Telefunken 501.
- Peso netto
- 98 kg / 215 lb 13.7 oz (215.859 lb)
- Prezzo nel primo anno
- 1,698.00 DM
- Fonte dei dati
- HdB d.Rdf-& Ferns-GrH 1959/60
- Autore
- Modello inviato da Bernd P. Kieck. Utilizzare "Proponi modifica" per inviare ulteriori dati.
- Altri modelli
-
In questo link sono elencati 741 modelli, di cui 687 con immagini e 262 con schemi.
Elenco delle radio e altri apparecchi della Kuba (Kuba-Imperial), G. Kubetschek; Wolfenbüttel