- Pays
- Etats-Unis
- Fabricant / Marque
- Lafayette Radio & TV Corp; New York (NY)
- Année
- 1935 ?
- Catégorie
- Radio - ou tuner d'après la guerre 1939-45
- Radiomuseum.org ID
- 45815
-
- alternative name: Wholesale Radio
Cliquez sur la vignette du schéma pour le demander en tant que document gratuit.
- No. de tubes
- 12
- Lampes / Tubes
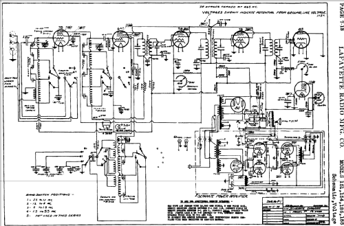
- 78 6A7 78 78 unknown_Tube unknown_Tube unknown_Tube unknown_Tube unknown_Tube unknown_Tube 80 80
- Principe général
- Super hétérodyne avec étage HF; FI/IF 465 kHz
- Circuits accordés
- 9 Circuits MA (AM)
- Gammes d'ondes
- PO et plus que 2 x OC
- Tension / type courant
- Alimentation Courant Alternatif (CA) / 115 Volt
- Haut-parleur
- HP dynamique à électro-aimant (électrodynamique)
- De Radiomuseum.org
- Modèle: 154 - Lafayette Radio & TV Corp; New
- Remarques
-
Separate power amplifier; Push-pull af output; Remote speaker output.
- Source extérieure
- Ernst Erb
- Source du schéma
- Rider's Perpetual, Volume 7 = 1936 and before
- D'autres Modèles
-
Vous pourrez trouver sous ce lien 1636 modèles d'appareils, 1480 avec des images et 425 avec des schémas.
Tous les appareils de Lafayette Radio & TV Corp; New York (NY)