Trough Line Stereo
Leak, H.J.; London
- Produttore / Marca
- Leak, H.J.; London
- Anno
- 1967 ??
- Categoria
- Radio (o sintonizzatore del dopoguerra WW2)
- Radiomuseum.org ID
- 116226
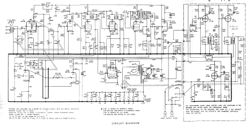
Clicca sulla miniatura dello schema per richiederlo come documento gratuito.
- Numero di tubi
- 7
- Numero di transistor
- 3
- Principio generale
- Supereterodina (in generale)
- Gamme d'onda
- Solo modulazione di frequenza (FM)
- Tensioni di funzionamento
- Alimentazione a corrente alternata (CA)
- Altoparlante
- - Per cuffie o amplificatori esterni
- Materiali
- Mobile di metallo
- Radiomuseum.org
- Modello: Trough Line Stereo - Leak, H.J.; London
- Forma
- Apparecchio per ripiani a scaffale (come i componibili HiFi).
- Annotazioni
- stereo decoder with transistors.
- Fonte dei dati
- -- Collector info (Sammler)
- Autore
- Modello inviato da Gottfried Silberhorn. Utilizzare "Proponi modifica" per inviare ulteriori dati.
- Altri modelli
-
In questo link sono elencati 46 modelli, di cui 45 con immagini e 23 con schemi.
Elenco delle radio e altri apparecchi della Leak, H.J.; London