Astra - Астра
Leningrad Techpribor Works
- Fabricante / Marca
- Leningrad Techpribor Works
- Año
- 1960
- Categoría
- Registrador o reproductor de sonido o visual
- Radiomuseum.org ID
- 319643
Haga clic en la miniatura esquemática para solicitarlo como documento gratuito.
- Numero de valvulas
- 6
- Principio principal
- Amplificador de Audio
- Gama de ondas
- - no hay
- Especialidades
- Grabadora de cinta
- Tensión de funcionamiento
- Red: Corriente alterna (CA, Inglés = AC) / 110; 127; 220 Volt
- Altavoz
- 2 Altavoces / Ø 15.2 cm = 6 inch
- Potencia de salida
- 2 W (unknown quality)
- Material
- Cuero/Tela/ Plástico sobre otros materiales
- de Radiomuseum.org
- Modelo: Astra - Астра - Leningrad Techpribor Works
- Forma
- Sobremesa de cualquier forma, detalles no conocidos.
- Ancho, altura, profundidad
- 450 x 335 x 235 mm / 17.7 x 13.2 x 9.3 inch
- Peso neto
- 16.5 kg / 36 lb 5.5 oz (36.344 lb)
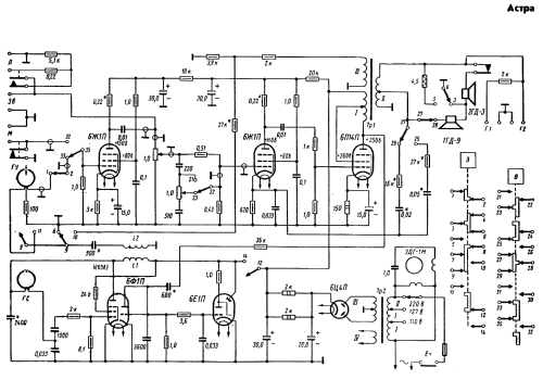
- Documentación / Esquemas (2)
- Справочник по магнитофонам Г.И.Гладышев1969г.
- Autor
- Modelo creado por Vladimir Manannikov. Ver en "Modificar Ficha" los participantes posteriores.
- Otros modelos
-
Donde encontrará 3 modelos, 3 con imágenes y 1 con esquemas.
Ir al listado general de Leningrad Techpribor Works
Colecciones
El modelo Astra - Астра es parte de las colecciones de los siguientes miembros.