Lissy 54202
Loewe-(Opta); Deutschland
- Country
- Germany
- Manufacturer / Brand
- Loewe-(Opta); Deutschland
- Year
- 1975/1976
- Category
- Broadcast Receiver - or past WW2 Tuner
- Radiomuseum.org ID
- 72021
-
- alternative name: Löwe Radio
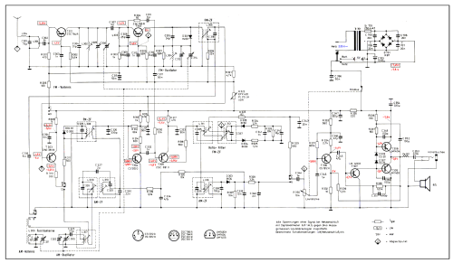
Click on the schematic thumbnail to request the schematic as a free document.
- Number of Transistors
- 9
- Semiconductors
- Main principle
- Superheterodyne (common)
- Tuned circuits
- 5 AM circuit(s) 7 FM circuit(s)
- Wave bands
- Broadcast (BC) and FM or UHF.
- Power type and voltage
- Line / Batteries (any type) / 220 / 4×1,5 Volt
- Loudspeaker
- Permanent Magnet Dynamic (PDyn) Loudspeaker (moving coil)
- Power out
- 0.7 W (unknown quality)
- Material
- Plastics (no bakelite or catalin)
- from Radiomuseum.org
- Model: Lissy 54202 - Loewe-Opta; Deutschland
- Shape
- Portable set > 8 inch (also usable without mains)
- Dimensions (WHD)
- 215 x 105 x 45 mm / 8.5 x 4.1 x 1.8 inch
- Notes
- Loewe Opta Kofferempfänger Lizzy.
Gehäusefarbe weiß oder rot.
- Net weight (2.2 lb = 1 kg)
- 0.9 kg / 1 lb 15.7 oz (1.982 lb)
- External source of data
- Lothar Kissinger
- Source of data
- Handbuch VDRG 1975/1976
- Author
- Model page created by Hinrich Grensemann † 15.5.16. See "Data change" for further contributors.
- Other Models
-
Here you find 1645 models, 1382 with images and 1188 with schematics for wireless sets etc. In French: TSF for Télégraphie sans fil.
All listed radios etc. from Loewe-(Opta); Deutschland
Collections
The model Lissy is part of the collections of the following members.