Trianon 2655
Loewe-(Opta); Deutschland
- Country
- Germany
- Manufacturer / Brand
- Loewe-(Opta); Deutschland
- Year
- 1958/1959
- Category
- Television- and Radio Receiver, perh. also + Rec. etc. (TV Radio)
- Radiomuseum.org ID
- 100797
-
- alternative name: Löwe Radio
Click on the schematic thumbnail to request the schematic as a free document.
- Main principle
- Superheterodyne (common)
- Wave bands
- Wave Bands given in the notes.
- Details
- Changer (Record changer); Remote Control (with wire or wireless)
- Power type and voltage
- Alternating Current supply (AC) / 220 Volt
- Loudspeaker
- 5 Loudspeakers
- Material
- Wooden case
- from Radiomuseum.org
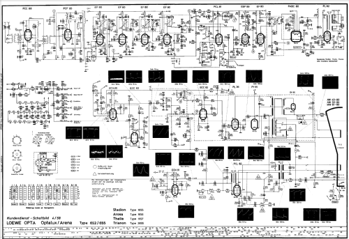
- Model: Trianon 2655 - Loewe-Opta; Deutschland
- Shape
- Console with any shape - in general
- Dimensions (WHD)
- 1200 x 960 x 590 mm / 47.2 x 37.8 x 23.2 inch
- Notes
- Fernseh-Chassis = Optalux 652, jedoch mit 53-cm-Bildröhre;
Rundfunk-Chassis mit 9 Röhren, 8/12 Kreise, LMKU;
Phono-Chassis = Dual 1005.
- Net weight (2.2 lb = 1 kg)
- 85 kg / 187 lb 3.6 oz (187.225 lb)
- Price in first year of sale
- 2,098.00 DM
- Source of data
- HdB d.Rdf-& Ferns-GrH 1958/59
- Author
- Model page created by Bernd P. Kieck. See "Data change" for further contributors.
- Other Models
-
Here you find 1645 models, 1382 with images and 1188 with schematics for wireless sets etc. In French: TSF for Télégraphie sans fil.
All listed radios etc. from Loewe-(Opta); Deutschland