• Año
  • 1930/1931
  • Categoría
  • Radio - o Sintonizador pasado WW2
  • Radiomuseum.org ID
  • 3280
    • Brand: Lumeta

Haga clic en la miniatura esquemática para solicitarlo como documento gratuito.

 Especificaciones técnicas

  • Numero de valvulas
  • 5
  • Principio principal
  • RFS con reacción (regenerativo); 1 Especial; 2 Etapas de AF
  • Número de circuitos sintonía
  • 2 Circuíto(s) AM
  • Gama de ondas
  • OM y OL
  • Tensión de funcionamiento
  • Red: Corriente alterna (CA, Inglés = AC) / 110-220 Volt
  • Altavoz
  • - Este modelo usa altavoz exterior (1 o más).
  • Material
  • Madera
  • de Radiomuseum.org
  • Modelo: W100 - Lumophon, Bruckner & Stark,
  • Forma
  • Sobremesa apaisado (tamaño grande).
  • Ancho, altura, profundidad
  • 440 x 215 x 180 mm / 17.3 x 8.5 x 7.1 inch
  • Anotaciones
  • Eine ausführliche Gerätebeschreibung des Lumophon W100 findet sich in der Funkschau 1931, Heft 40 Im Heft 42 sieht man auf Seite 334 das Schaltschema des Lumophon G100.

    Franz.Fabr.=100A

    Preis ohne Röhren, zusätzlich Röhrensatz:

    • RENS1204, REN1004, REN804, RE134, RGN504 Preis: 67,- RM
    • RENS1204, REN1004, REN804, RES164, RGN504 Preis: 75,50 RM
  • Peso neto
  • 5.5 kg / 12 lb 1.8 oz (12.115 lb)
  • Precio durante el primer año
  • 142.00 RM +
  • Referencia esquema
  • Lange + FS-Bestückungstabellen
  • Mencionado en
  • Funkschau 1931, Heft 40, Seite 315

 Colecciones | Museos | Literatura

 Forum

Contribuciones en el Foro acerca de este modelo: Lumophon, Bruckner &: W100

Hilos: 2 | Mensajes: 2

Hallo Radiofreund Herr Walter,                                                                                                               auf die Frage der Varianten habe ich auch keine Antwort. Es ist schon sonderbar, da keine Variantenkürzel am Typenschild oder sonst am Gerät ersichtlich sind. Vielleicht findet es ein versierter Sammler es heraus.                                                                                                               Eine Korrektur: Das W100 mit Stufenschalter hat die Serien-Nr. 290796 und ist damit jünger, also später gebaut. Hatte nicht genau hingeschaut!                                                                                     Mit freundlichen Sammlergrüßen                                                                                                                                               Herbert Heintges                                                                                                                          

Herbert Heintges, 14.Aug.13

Weitere Posts (1) zu diesem Thema.

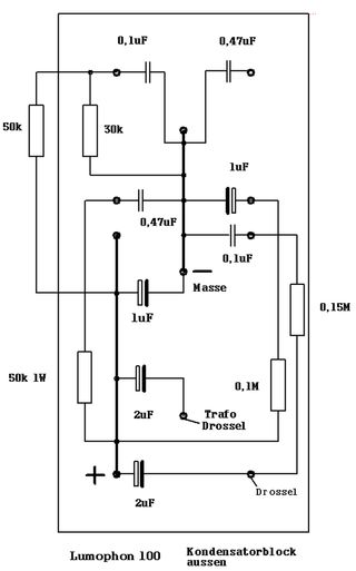
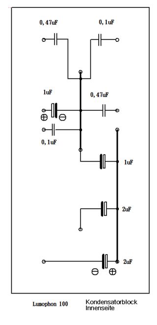
LiebeRadiofreunde, ich besitze 2 unterschiedliche Lumophon W100. Der Unterschied liegt in der Antennenspule! Bei dem nach Seriennummer älteren W100 ist die Antenne direkt über Stufenschalter, wie auch im bekannten Schaltbild angegeben, gekoppelt. Anders ist es beim W100 mit der Sereiennummer 285796, wo die Antenne über einen Drehko auf die Antennenspule geht. Auch ist dafür auf dem Chassis der Umschalter entsprechend. Ich habe diese Ausführung als Schaltplan entsprechend korrigiert. Bei der Restauration habe ich das Innenleben des Kondensatorblocks erneuert und für weitere Interessenten  einen Plan erstellt. Mit freundlichen Grüßen         Anlagen

Anexos

Herbert Heintges, 13.Aug.13

Weitere Posts (1) zu diesem Thema.