- Country
- United States of America (USA)
- Manufacturer / Brand
- Madison Fielding Corp., Brooklyn
- Year
- 1958 ?
- Category
- Broadcast Receiver - or past WW2 Tuner
- Radiomuseum.org ID
- 158908
Click on the schematic thumbnail to request the schematic as a free document.
- Number of Tubes
- 13
- Main principle
- Superhet with RF-stage; ZF/IF 455/10700 kHz
- Wave bands
- Broadcast (BC) and FM or UHF.
- Power type and voltage
- Alternating Current supply (AC) / 105 - 125 Volt
- Loudspeaker
- - For headphones or amp.
- Material
- Metal case
- from Radiomuseum.org
- Model: 330 - Madison Fielding Corp.,
- Shape
- Chassis only or for «building in»
- Notes
-
The Madison Model 330 is an AC operated 13 Tube FM-AM Tuner.
FM-AM Multiplex Tuner
- Price in first year of sale
- 129.95 USD
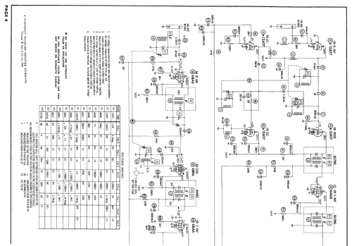
- Literature/Schematics (1)
- Photofact Folder, Howard W. SAMS (Date 2-59, Set 431, Folder 12)
- Literature/Schematics (2)
- Audio Magazine January 1958 - Page 71
- Author
- Model page created by Egon Penker. See "Data change" for further contributors.
- Other Models
-
Here you find 6 models, 6 with images and 6 with schematics for wireless sets etc. In French: TSF for Télégraphie sans fil.
All listed radios etc. from Madison Fielding Corp., Brooklyn