Chassis CT331 (105 Series)
Magnavox Co., Commercial Wireless and Development Co.; San Francisco, later Fort Waye, IN
- Pays
- Etats-Unis
- Fabricant / Marque
- Magnavox Co., Commercial Wireless and Development Co.; San Francisco, later Fort Waye, IN
- Année
- 1952 ?
- Catégorie
- Récepteur de télévision ou moniteur
- Radiomuseum.org ID
- 355769
Cliquez sur la vignette du schéma pour le demander en tant que document gratuit.
- No. de tubes
- 21
- Lampes / Tubes
- 6BC5 12AT7 6CB6 6CB6 6BC5 or 6AG5 6AU6 6CB6 6AU6 6AU6 6T8 6V6GT 12AX7 6SN7GT 6SN7GT 6W6GT 6SN7GT 6BQ6GT 6W4GT 1B3GT 5U4G 20CP4
- Principe général
- Super hétérodyne avec étage HF
- Gammes d'ondes
- Bandes en notes
- Tension / type courant
- Alimentation Courant Alternatif (CA) / 60Hz, 117V=110-120 Volt
- Haut-parleur
- HP dynamique à aimant permanent + bobine mobile / Ø 12 inch = 30.5 cm
- Matière
- Boitier en bois
- De Radiomuseum.org
- Modèle: Chassis CT331 - Magnavox Co., Commercial
- Forme
- Console de forme générique
- Remarques
-
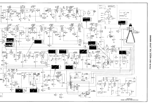
Magnavox Chassis CT331 is a 20” b/w TV with US standard VHF tuner channels 2 thru 13. Equipped with VHF tuner 700357-20 and picture tube 20CP4.
- Schémathèque (1)
- Photofact Folder, Howard W. SAMS (Set 168, folder 10, dated 5-52)
- Auteur
- Modèle crée par Dirk Taekels. Voir les propositions de modification pour les contributeurs supplémentaires.
- D'autres Modèles
-
Vous pourrez trouver sous ce lien 1082 modèles d'appareils, 499 avec des images et 832 avec des schémas.
Tous les appareils de Magnavox Co., Commercial Wireless and Development Co.; San Francisco, later Fort Waye, IN