- Country
- United States of America (USA)
- Manufacturer / Brand
- Magnavox Co., Commercial Wireless and Development Co.; San Francisco, later Fort Waye, IN
- Year
- 1948 ?
- Category
- Broadcast Receiver - or past WW2 Tuner
- Radiomuseum.org ID
- 46396
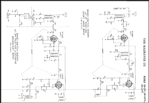
Click on the schematic thumbnail to request the schematic as a free document.
- Number of Tubes
- 10
- Main principle
- Superhet with RF-stage; ZF/IF 455 kHz
- Tuned circuits
- 7 AM circuit(s)
- Wave bands
- Broadcast and Short Wave (SW).
- Details
- Record Player (perh.Changer)
- Power type and voltage
- Alternating Current supply (AC) / 117 Volt
- Loudspeaker
- Electro Magnetic Dynamic LS (moving-coil with field excitation coil)
- from Radiomuseum.org
- Model: CR-197 - Magnavox Co., Commercial
- External source of data
- Ernst Erb
- Circuit diagram reference
- Rider's Perpetual, Volume 16 = ca. 1948 and before
- Other Models
- 
        Here you find 1082 models, 499 with images and 832 with schematics for wireless sets etc. In French: TSF for Télégraphie sans fil. 
 All listed radios etc. from Magnavox Co., Commercial Wireless and Development Co.; San Francisco, later Fort Waye, IN
 
                
                
                
                
                
                
               