- Country
- United States of America (USA)
- Manufacturer / Brand
- Magnavox Co., Commercial Wireless and Development Co.; San Francisco, later Fort Waye, IN
- Year
- 1952 ?
- Category
- Television Receiver (TV) or Monitor
- Radiomuseum.org ID
- 346972
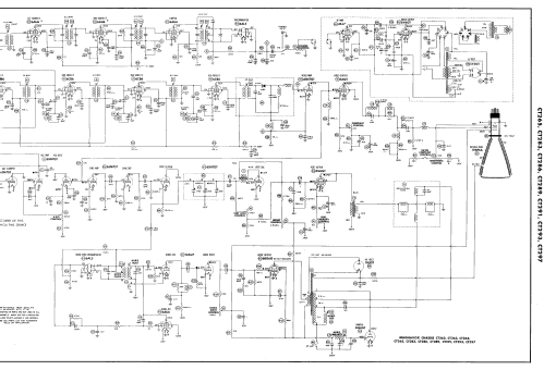
Click on the schematic thumbnail to request the schematic as a free document.
- Number of Tubes
- 27
- Valves / Tubes
- 6BC5 12AT7 6CB6 6CB6 6CB6 6CB6 6SN7GT 6AQ5 6SN7GT 6AU6 or 6BA6 6AU6 or 6BA6 6AU6 6AL5 6SJ7 6V6GT 6SN7GT 6SN7GT 6V6GT 6AL5 6AU6 12AU7 6BG6G 6W4GT 1B3GT 5U4G 5Y3GT 19AP4A
- Main principle
- Superhet with RF-stage
- Wave bands
- Wave Bands given in the notes.
- Power type and voltage
- Alternating Current supply (AC) / 60 Hz, 117V = 110 -120 Volt
- Loudspeaker
- Permanent Magnet Dynamic (PDyn) Loudspeaker (moving coil) / Ø 12 inch = 30.5 cm
- Material
- Wooden case
- from Radiomuseum.org
- Model: CT289 - Magnavox Co., Commercial
- Shape
- Console, Lowboy (legs < 50 %).
- Notes
-
Magnavox chassis CT289 is a b/w TV with US standard VHF tuner channels 2 thru 13.
Equipped with VHF tuner 700351 and picture tube 19AP4A.
- Literature/Schematics (1)
- Photofact Folder, Howard W. SAMS (Set 131, folder 1A, dated 1-51)
- Literature/Schematics (2)
- Photofact Folder, Howard W. SAMS (Set 155, folder 10, dated 1-52)
- Author
- Model page created by Dirk Taekels. See "Data change" for further contributors.
- Other Models
-
Here you find 1082 models, 499 with images and 832 with schematics for wireless sets etc. In French: TSF for Télégraphie sans fil.
All listed radios etc. from Magnavox Co., Commercial Wireless and Development Co.; San Francisco, later Fort Waye, IN