20UT (Series 108D)
Majestic Radio & Television Co.,(post 1932)
- Land
- USA
- Hersteller / Marke
- Majestic Radio & Television Co.,(post 1932)
- Jahr
- 1951 ?
- Kategorie
- Fernseh-Empfänger/Monitor
- Radiomuseum.org ID
- 352084
Klicken Sie auf den Schaltplanausschnitt, um diesen kostenlos als Dokument anzufordern.
- Anzahl Röhren
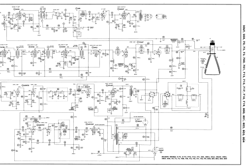
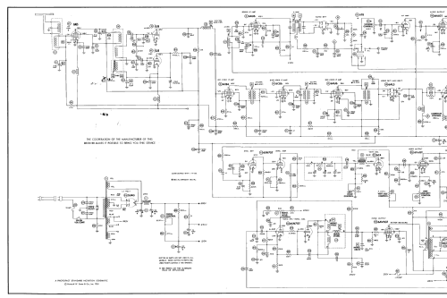
- 19
- Röhren
- 6AG5 or 6BC5 or 6CB6 6J6 6CB6 6CB6 6AU6 6AL5 12AU7 6AU6 6T8 or 6AL5 or 6AT6 or 6AV6 6K6GT 6SN7GT 6C4 6V6GT 6SN7GT 6AV5GT 6W4GT 1B3GT 5U4G 17BP4A or 17BP4 or 20CP4
- Hauptprinzip
- Super mit HF-Vorstufe
- Wellenbereiche
- Wellen in den Bemerkungen.
- Betriebsart / Volt
- Wechselstromspeisung / 60 Hz, 117 V = 110 -120 Volt
- Lautsprecher
- 2 Lautsprecher
- Material
- Gerät mit Holzgehäuse
- von Radiomuseum.org
- Modell: 20UT - Majestic Radio & Television Co
- Form
- Tischmodell, Zusatz nicht bekannt - allgemein.
- Bemerkung
-
Majestic model 20UT (Series108D) is a 21” b/w TV with US standard VHF tuner channels 2 thru 13. Equipped with VHF tuner D-36.137-2 and picture tube 17BP4 or 17BP4A or 20CP4.
- Literatur/Schema (1)
- Photofact Folder, Howard W. SAMS (Set 153, folder 8, dated 12-51)
- Autor
- Modellseite von Dirk Taekels angelegt. Siehe bei "Änderungsvorschlag" für weitere Mitarbeit.
- Weitere Modelle
-
Hier finden Sie 418 Modelle, davon 174 mit Bildern und 358 mit Schaltbildern.
Alle gelisteten Radios usw. von Majestic Radio & Television Co.,(post 1932)