902 (Series 103)
Majestic Radio & Television Co.,(post 1932)
- Country
- United States of America (USA)
- Manufacturer / Brand
- Majestic Radio & Television Co.,(post 1932)
- Year
- 1951 ?
- Category
- Television Receiver (TV) or Monitor
- Radiomuseum.org ID
- 345796
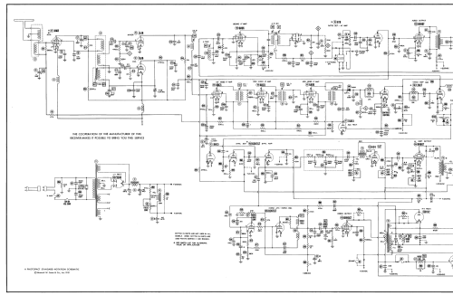
Click on the schematic thumbnail to request the schematic as a free document.
- Number of Tubes
- 20
- Valves / Tubes
- 6BC5 or 6AG5 or 6CB6 6J6 6BC5 6BC5 6AU6 12AU7 or 12BH7 6AC5 6AU6 6T8 or 6AL5 6AT6 or 6AU6 6K6GT 6SN7GT or 12AU7 6C4 6V6GT or 6W6GT or 6K6GT 6SN7GT 6AV5GT 6W4GT 1X2 5U4G 19AP4
- Main principle
- Superhet with RF-stage
- Wave bands
- Wave Bands given in the notes.
- Power type and voltage
- Alternating Current supply (AC) / 60 Hz, 117V = 110 -120 Volt
- Loudspeaker
- Permanent Magnet Dynamic (PDyn) Loudspeaker (moving coil)
- Material
- Wooden case
- from Radiomuseum.org
- Model: 902 - Majestic Radio & Television Co
- Shape
- Console, Lowboy (legs < 50 %).
- Notes
-
Majestic model 902 (Series 103) is a 19" b/w TV with US standard VHF tuner channels 2 thru 13. Equipped with VHF tuner D-36.137-2 and picture tube 19AP4.
- Literature/Schematics (1)
- Photofact Folder, Howard W. SAMS (Set 127 Folder 7 dated 3-51)
- Author
- Model page created by Dirk Taekels. See "Data change" for further contributors.
- Other Models
-
Here you find 418 models, 174 with images and 358 with schematics for wireless sets etc. In French: TSF for Télégraphie sans fil.
All listed radios etc. from Majestic Radio & Television Co.,(post 1932)