- Land
- Spanien / Spain
- Hersteller / Marke
- Marconi Española S.A. (Telmar); Villaverde
- Jahr
- 1961
- Kategorie
- Fernseh-Empfänger/Monitor
- Radiomuseum.org ID
- 204760
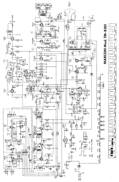
Klicken Sie auf den Schaltplanausschnitt, um diesen kostenlos als Dokument anzufordern.
- Anzahl Röhren
- 16
- Anzahl Transistoren
- Hauptprinzip
- Super mit HF-Vorstufe; 2 NF-Stufe(n)
- Wellenbereiche
- VHF/UHF (siehe Bemerkungen)
- Betriebsart / Volt
- Wechselstromspeisung / 127 Volt
- Lautsprecher
- Dynamischer LS, keine Erregerspule (permanentdynamisch)
- Material
- Gerät mit Holzgehäuse
- von Radiomuseum.org
- Modell: TM-8301 - Marconi Española S.A. Telmar;
- Form
- Tischgerät-gross, - Querformat (breiter als hoch oder quadratisch).
- Bemerkung
-
Marconi Española, S.A., TM-8301
TV B/N TRC: 23" 114º, con selector rotativo de VHF.
- Originalpreis
- 22,450.00 ESP
- Literaturnachweis
- Anuncio ABC octubre-noviembre 1961
- Literatur/Schema (1)
- -- Schematic (Esquemario TV REDE, Tomo III, 1967)
- Autor
- Modellseite von Miguel Bravo-Cos angelegt. Siehe bei "Änderungsvorschlag" für weitere Mitarbeit.
- Weitere Modelle
-
Hier finden Sie 193 Modelle, davon 151 mit Bildern und 95 mit Schaltbildern.
Alle gelisteten Radios usw. von Marconi Española S.A. (Telmar); Villaverde