- Country
- Great Britain (UK)
- Manufacturer / Brand
- Marconi Co. (Marconiphone, Marconi's Wireless Telegraph Co. Ltd.), GB (not tubes - see also HMV His Master's Voice)
- Year
- 1961 ?
- Category
- Broadcast Receiver - or past WW2 Tuner
- Radiomuseum.org ID
- 152059
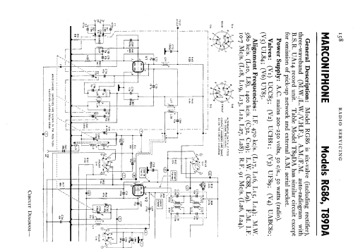
Click on the schematic thumbnail to request the schematic as a free document.
- Number of Tubes
- 6
- Main principle
- Superheterodyne (common); ZF/IF 470/10700 kHz; 2 AF stage(s)
- Tuned circuits
- 6 AM circuit(s) 8 FM circuit(s)
- Wave bands
- Broadcast, Long Wave and FM or UHF.
- Details
- Record Player (perh.Changer)
- Power type and voltage
- Alternating Current supply (AC) / 200-250 Volt
- Loudspeaker
- Permanent Magnet Dynamic (PDyn) Loudspeaker (moving coil)
- from Radiomuseum.org
- Model: RG86 - Marconi Co. Marconiphone,
- Notes
- Auto-radiogram fitted with BSR UA14 record unit.
- Source of data
- -- Schematic
- Circuit diagram reference
- Radio and TV Servicing books (R&TVS) book
- Author
- Model page created by Keith Staines. See "Data change" for further contributors.
- Other Models
-
Here you find 502 models, 338 with images and 321 with schematics for wireless sets etc. In French: TSF for Télégraphie sans fil.
All listed radios etc. from Marconi Co. (Marconiphone, Marconi's Wireless Telegraph Co. Ltd.), GB (not tubes - see also HMV His Master's Voice)