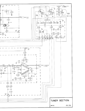
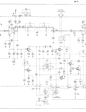
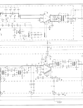
FM Tuner MR 78
McIntosh Audio Company; Binghamton, NY
- Country
- United States of America (USA)
- Manufacturer / Brand
- McIntosh Audio Company; Binghamton, NY
- Year
- 1972–1982
- Category
- Broadcast Receiver - or past WW2 Tuner
- Radiomuseum.org ID
- 133292
Click on the schematic thumbnail to request the schematic as a free document.
- Number of Transistors
- Semiconductors present.
- Semiconductors
- Main principle
- Superheterodyne (common); ZF/IF 10700 kHz
- Wave bands
- FM Broadcast Band Only
- Details
- Hi-Fi equipment
- Power type and voltage
- Alternating Current supply (AC) / 120 Volt
- Loudspeaker
- - For headphones or amp.
- Material
- Various materials
- from Radiomuseum.org
- Model: FM Tuner MR 78 - McIntosh Audio Company;
- Shape
- Chassis only or for «building in»
- Dimensions (WHD)
- 406 x 138 x 330 mm / 16 x 5.4 x 13 inch
- Notes
-
A hi-fi FM stereo tuner with an analogue dial. Optional wooden case. Meters for Multipath/Signal Strength and Tuning, switches for Selectivity (Normal, Narrow, Super Narrow), Filter, Muting and Mode (Stereo Only, Mono, Stereo Auto). 75 and 300 ohms antenna input, RCA fixed and controlled AF out.
Specification SENSITIVITY 2µV for better than 35dB quieting
2.5µV IHF usable sensitivity Max.
1.9µV typicalSELECTIVITY IHF ADJACENT CHANNEL
Normal
Narrow
Super-Narrow
7dB
22dB
55dBALTERNATE CHANNEL
Normal
Narrow
Super-Narrow
55dB
>90dB
>>90dBSIGNAL TO NOISE RATIO > 75dB below 100% modulation HARMONIC DISTORTION < 0.2% mono or stereo
at 100% modulation 20Hz-18kHz
Typically < 0.05% at lkHzFREQUENCY RESPONSE ±1dB 20Hz-18kHz with standard 75µS de-emphasis CAPTURE RATIO > 2.5dB IHF SPURIOUS REJECTION > 100dB IHF IMAGE REJECTION > 100dB 88-108MHz IHF STEREO SEPARATION > 40dB at 1kHz SCA FILTER 50dB down from 67kHz-74kHz;
275dB per octave slopePower Requirements: 120V AC 50/60Hz
Power consumption: 35 Watts
- Net weight (2.2 lb = 1 kg)
- 12.3 kg / 27 lb 1.5 oz (27.093 lb)
- Price in first year of sale
- 1,699.00 $
- Source of data
- -- Original-techn. papers.
- Mentioned in
- -- Original prospect or advert (1982 McIntosh catalogue)
- Literature/Schematics (1)
- - - Manufacturers Literature (Service manual McIntosh MR78)
- Author
- Model page created by a member from A. See "Data change" for further contributors.
- Other Models
-
Here you find 88 models, 83 with images and 48 with schematics for wireless sets etc. In French: TSF for Télégraphie sans fil.
All listed radios etc. from McIntosh Audio Company; Binghamton, NY
Collections
The model FM Tuner is part of the collections of the following members.