- Produttore / Marca
- McMichael Radio Ltd.; Slough
- Anno
- 1955 ?
- Categoria
- Radio (o sintonizzatore del dopoguerra WW2)
- Radiomuseum.org ID
- 145737
-
- alternative name: McMichael, Leslie
Clicca sulla miniatura dello schema per richiederlo come documento gratuito.
- Numero di tubi
- 5
- Principio generale
- Supereterodina (in generale); ZF/IF 470 kHz; 2 Stadi BF
- N. di circuiti accordati
- 6 Circuiti Mod. Amp. (AM)
- Gamme d'onda
- Onde medie (OM), lunghe (OL) e corte (OC).
- Tensioni di funzionamento
- Alimentazione universale (doppia: CC/CA) / 115 / 190-250 Volt
- Altoparlante
- AP magnetodinamico (magnete permanente e bobina mobile)
- Radiomuseum.org
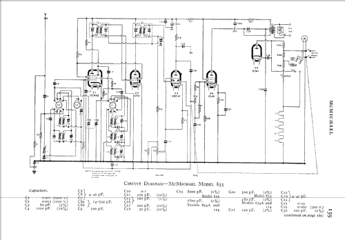
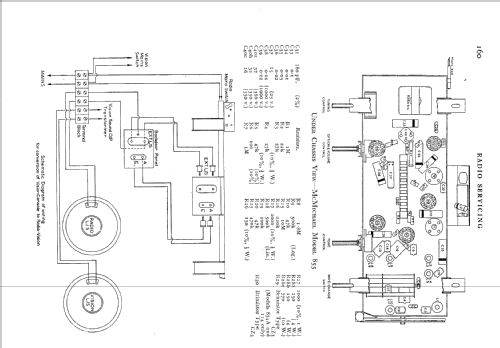
- Modello: 114 - McMichael Radio Ltd.; Slough
- Forma
- Chassis o in scatola da montaggio
- Annotazioni
- Broadcast unit (radio chassis) for fitting in to console television models CR54 & CR417.
- Fonte dei dati
- -- Schematic
- Riferimenti schemi
- Radio and TV Servicing books (R&TVS) book
- Autore
- Modello inviato da Keith Staines. Utilizzare "Proponi modifica" per inviare ulteriori dati.
- Altri modelli
-
In questo link sono elencati 183 modelli, di cui 123 con immagini e 120 con schemi.
Elenco delle radio e altri apparecchi della McMichael Radio Ltd.; Slough