- Country
- United States of America (USA)
- Manufacturer / Brand
- Meck, John, Industries, Inc.; Plymouth (IN)
- Year
- 1950 ?
- Category
- Television Receiver (TV) or Monitor
- Radiomuseum.org ID
- 341314
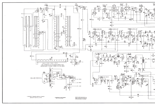
Click on the schematic thumbnail to request the schematic as a free document.
- Number of Tubes
- 20
- Valves / Tubes
- 6CB6 6J6 6AU6 6AU6 6AU6 6AC7 12AU7 6AU6 6AL5 6SQ7 6V6GT 6J5 6SN7GT 6H6 6SN7GT 6BG6G 6W4GT 1B3GT 5U4G 16DP4A
- Main principle
- Superhet with RF-stage
- Wave bands
- Wave Bands given in the notes.
- Power type and voltage
- AC/DC-set / 117V = 110 -120 Volt
- Loudspeaker
- Permanent Magnet Dynamic (PDyn) Loudspeaker (moving coil)
- Material
- Wooden case
- from Radiomuseum.org
- Model: MM619XSB - Meck, John, Industries, Inc.;
- Shape
- Console, Lowboy (legs < 50 %).
- Notes
- 
        Meck model MM619XSB is a 14” b/w TV with US standard VHF tuner channels 2 thru 13. 
 Equipped with a VHF tuner and picture tube 16DP4A.
- Literature/Schematics (1)
- Photofact Folder, Howard W. SAMS (Set 117, Folder 8 dated 12-50)
- Literature/Schematics (2)
- Photofact Folder, Howard W. SAMS (Set 120 folder 1 Production changes bulletin 12 dated 1-51)
- Author
- Model page created by Dirk Taekels. See "Data change" for further contributors.
- Other Models
- 
        Here you find 149 models, 88 with images and 113 with schematics for wireless sets etc. In French: TSF for Télégraphie sans fil. 
 All listed radios etc. from Meck, John, Industries, Inc.; Plymouth (IN)
 
                
                
                
                
                
                
                
                
                
                
                
                
                
                
               