Mende 38 E38N AC, Metall, 13 Lüftungslöcher
Mende - Radio H. Mende & Co. GmbH, Dresden
- Paese
- Germania
- Produttore / Marca
- Mende - Radio H. Mende & Co. GmbH, Dresden
- Anno
- 1929/1930
- Categoria
- Radio (o sintonizzatore del dopoguerra WW2)
- Radiomuseum.org ID
- 3485
-
- Brand: System Günther
Clicca sulla miniatura dello schema per richiederlo come documento gratuito.
- Numero di tubi
- 4
- Principio generale
- A reazione (con rigenerazione); 2 Stadi BF
- N. di circuiti accordati
- 1 Circuiti Mod. Amp. (AM)
- Gamme d'onda
- Onde medie (OM) e onde lunghe (OL).
- Tensioni di funzionamento
- Alimentazione a corrente alternata (CA) / 110-220 Volt
- Altoparlante
- - Questo apparecchio richiede altoparlante/i esterno/i.
- Materiali
- Mobile di metallo
- Radiomuseum.org
- Modello: Mende 38 E38N [AC, Metall, 13 Lüftungslöcher] - Mende - Radio H. Mende & Co.
- Forma
- Soprammobile a leggio (pannello inclinato).
- Dimensioni (LxAxP)
- 260 x 195 x 260 mm / 10.2 x 7.7 x 10.2 inch
- Annotazioni
-
Die RGN354 gab es zum Zeitpunkt der Markteinführung dieses Modelles nicht; man hat verbreitet Trioden für die Netz-Gleichrichtung verwendet. Spätere Werke geben dann die austauschbare Gleichrichterröhre RGN354 an, wir aber die Originalbestückung. N=Netz; 6 Buchsen li.,oben Löcher [569]
Siehe Modellblatt Mende 38 (allgemein).
- Peso netto
- 5.850 kg / 12 lb 14.2 oz (12.885 lb)
- Prezzo nel primo anno
- 194.00 RM !
- Fonte dei dati
- Arlt's grosser Radiokatalog 1930 / Radiokatalog Band 1, Ernst Erb
- Riferimenti schemi
- Lange-Nowisch
- Bibliografia
- Historische Radios Band I
- Bibliografia immagini
- Eine Abbildung findet sich im Doppelband "Radios von gestern"
- Altri modelli
-
In questo link sono elencati 317 modelli, di cui 284 con immagini e 207 con schemi.
Elenco delle radio e altri apparecchi della Mende - Radio H. Mende & Co. GmbH, Dresden
Collezioni
Il modello Mende 38 fa parte delle collezioni dei seguenti membri.
- Eduard Abfalterer (I)
- André Bassin (D)
- Michael Bücheler (D)
- Manfred Fries (CH)
- Otto Frosinn (D)
- Valery Gromov (RUS)
- Axel Harten (D)
- Wolfgang Kobler † 21.11.18 (D)
- Peter Körner (D)
- Marc Lasnier (NL)
- Helmut Matysik (D)
- Giovanni Mura (I)
- Dmitry Palachev (RUS)
- Karlheinz Schneider † 28.6.23 (D)
- Andreas Schultz (D)
- Edoardo Sigismondo (I)
- Falk Sperling (D)
- Hartmut Völler (D)
Discussioni nel forum su questo modello: Mende - Radio H.: Mende 38 E38N
Argomenti: 2 | Articoli: 7
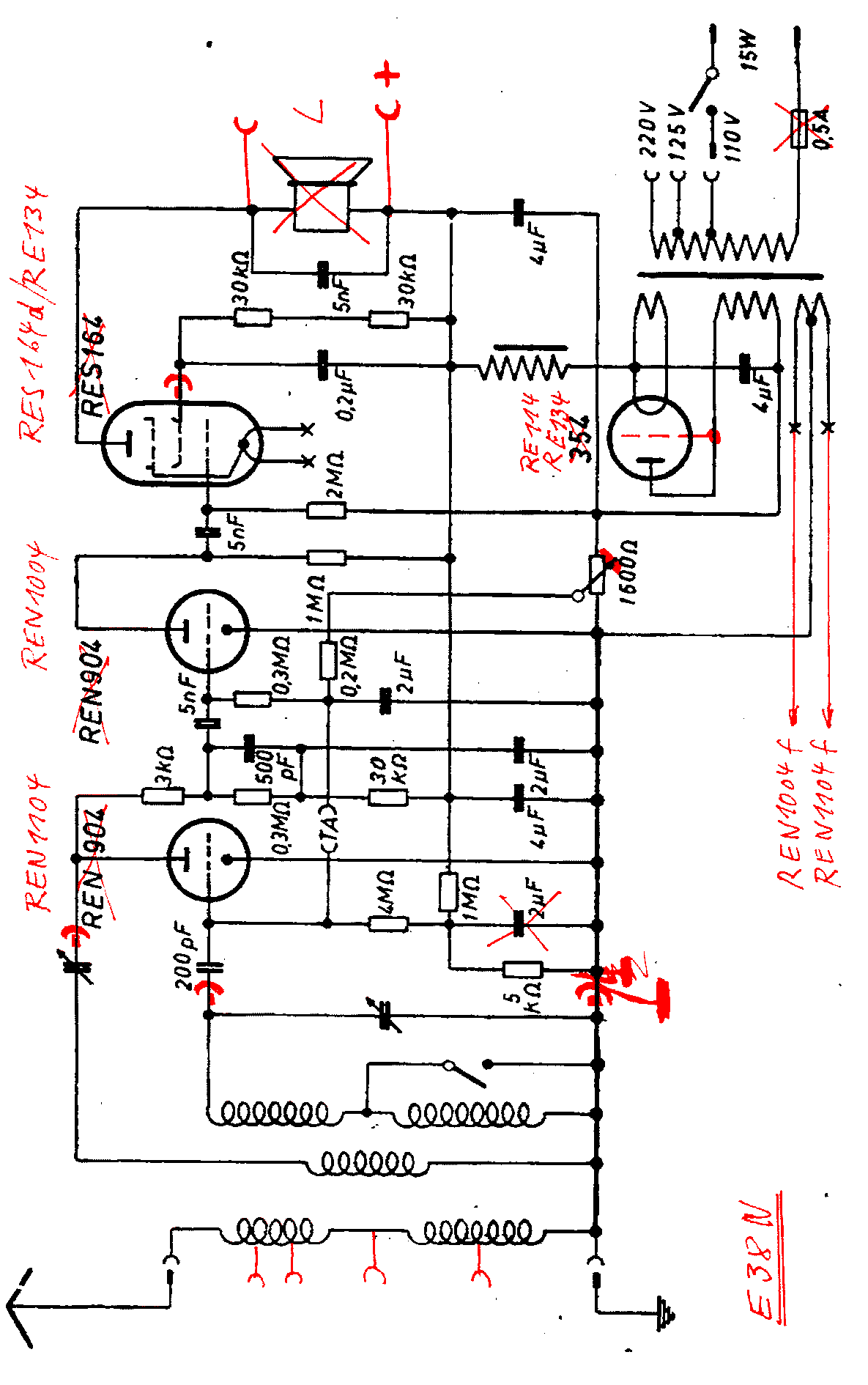
Hallo liebe (Mende) Sammler,
leider weist das Schaltbild von Lange-Nowitsch etliche Fehler auf, die schon für Verwirrung sorgen können:
1. Typenbezeichnung ist E38N, das W ist offensichtlich bei L-N hinzugefügt, um nochmals auf Wechselstromausführung hinzuweisen.
2. Es sind 6 Buchsen für Antenne und Erde vorhanden, nicht 2.
3. Alle 4 angegebenen Röhren sind falsch, laut Einlegeblatt werden REN 1104 REN1004 RES164d oder RE134 und RE114 oder RE134 verlangt.
4. Die LC-Einheit in der Haube ist über einen dreipoligen Stecker mit dem Chassis verbunden, nicht fest verdrahtet.
5.Es ist kein Lautsprecher verbaut.
6. Der Kondensator parallel zum 5k Widerstand ist nicht vorgesehen.
7. Der 1600 Ohm Widersand ist nicht stetig regelbar.
8. Der G2-Anschluß der RES164d wird mit der Schaltung verschraubt, nicht fest verdrahtet. Eine RES164 kann nicht betrieben werden, weil die mittlere Buchse der Fassung mit den Kathoden der beiden HF-Röhren verbunden ist. Dadurch läge G2 einer RES164 auf Kathodenpotential. Es stellt sich ein Ruhestrom von ca. 2 mA ein.
9. Es ist keine Netzsicherung verbaut.
Als Anlage das fehlerhafte L-N Schaltbild, das berichtigte und ein Bild der Originalverdrahtung.
Herzliche Grüße
Otto Frosinn
Allegati
- L-N Schaltb. (47 KB)
- Schaltb. korrigiert (27 KB)
- D_Mende_E38N_alt_innen (33 KB)
- Unterseite (81 KB)
Otto Frosinn, 20.Jan.10
In meinem Mende E38N (alte Ausführung) stecken teilweise andere Röhren als sie der Hersteller vorgesehen hat, obwohl auch hier eine Alternative genannt ist. Im einzelnen wie folgt.
REN 1104 eingesetzt ist eine RWN K1694 von Neuhaus.
Diese Röhre ist lt. Internetrecherche eine "ausgesuchte REN 904" für Post bzw. Industriezwecke.
REN 1004 diese ist tatsächlich vorhanden.
RES 164d eingesetzt ist die Valvo Ausführung, also L416D
RE134/RE114 eingesetzt ist die Philips 506, entsprechend der RGN1054.
Als Gleichrichter wird jedoch in der späteren Variante des Gerätes die RGN354 verwendet, ein Einweggleichrichter mit 3 Stift-Sockel. Die RGN1054 ist jedoch ein Vollweggleichrichter und besitzt auch einen 4 Stift-Sockel. Ich habe die Sockelbeschaltung des Gerätes untersucht und festgestellt, das auch der vierte Kontakt im Gleichrichtersockel beschaltet ist. Die beiden Anodenanschlüsse sind gebrückt und zwar nicht nachträglich, Isolierschlauch und Lötzinn entsprechen dem übrigen Aussehen des Gerätes.
Hier hat Mende wohl noch weiter vorausgeschaut, was die Verwendung anderer Gleichrichterröhren angeht.
Meine Frage an die Experten ist, ob gegen die Bestückung mit o.g. Röhren Einwände bestehen und das Radio damit funktionieren könnte oder müsste?
Grüße
Axel Harten.
Axel Harten, 18.Sep.05