- Hersteller / Marke
- Metz Transformatoren- und Apparatefabrik (ex TAM), Fürth
- Jahr
- 1959/1960
- Kategorie
- Fernseh-Empfänger/Monitor
- Radiomuseum.org ID
- 101503
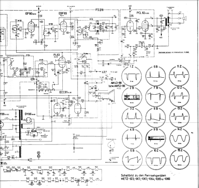
Klicken Sie auf den Schaltplanausschnitt, um diesen kostenlos als Dokument anzufordern.
- Anzahl Röhren
- 19
- Röhren
- AW53-88
- Hauptprinzip
- Superhet allgemein; ZF/IF 38900 kHz
- Wellenbereiche
- Wellen in den Bemerkungen.
- Spezialitäten
- Fernbed/-steuerung (Radio etc.)
- Betriebsart / Volt
- Wechselstromspeisung / 220 Volt
- Lautsprecher
- Dynamischer (permanent) Ovallautsprecher
- Material
- Gerät mit Holzgehäuse
Die GFGF Zeitschrift Funkgeschichte bringt interessante Artikel zu Radios, Funkwesen und Medien. Bei Radiomuseum.org finden Sie die vollständigen Hefte früherer Ausgaben als PDF zum Download.
- von Radiomuseum.org
- Modell: 1064 - Metz Transformatoren- und
- Form
- Standgerät: allgemein.
- Abmessungen (BHT)
- 620 x 1110 x 485 mm / 24.4 x 43.7 x 19.1 inch
- Bemerkung
- Technische Daten wie 963, jedoch Standgerät auf Beinen mit einschiebbarer Frontklappe.
- Nettogewicht
- 48 kg / 105 lb 11.6 oz (105.727 lb)
- Originalpreis
- 1,069.00 DM
- Datenherkunft
- HdB d.Rdf-& Ferns-GrH 1959/60
- Autor
- Modellseite von Bernd P. Kieck angelegt. Siehe bei "Änderungsvorschlag" für weitere Mitarbeit.
- Weitere Modelle
-
Hier finden Sie 584 Modelle, davon 457 mit Bildern und 308 mit Schaltbildern.
Alle gelisteten Radios usw. von Metz Transformatoren- und Apparatefabrik (ex TAM), Fürth