Teleclock 153-R
Metz Transformatoren- und Apparatefabrik (ex TAM), Fürth
- Hersteller / Marke
- Metz Transformatoren- und Apparatefabrik (ex TAM), Fürth
- Jahr
- 1963–1965
- Kategorie
- Rundfunkempfänger (Radio - oder Tuner nach WW2)
- Radiomuseum.org ID
- 25672
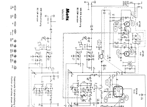
Klicken Sie auf den Schaltplanausschnitt, um diesen kostenlos als Dokument anzufordern.
- Anzahl Röhren
- 4
- Anzahl Transistoren
- 2
- Hauptprinzip
- Superhet allgemein; ZF/IF 460/10700 kHz
- Anzahl Kreise
- 6 Kreis(e) AM 9 Kreis(e) FM
- Wellenbereiche
- Langwelle, Mittelwelle und UKW (FM).
- Betriebsart / Volt
- Wechselstromspeisung / 110; 220 Volt
- Lautsprecher
- Dynamischer (permanent) Ovallautsprecher
- Belastbarkeit / Leistung
- 4 W (Qualität unbekannt)
- Material
- Gerät mit Holzgehäuse
Die GFGF Zeitschrift Funkgeschichte bringt interessante Artikel zu Radios, Funkwesen und Medien. Bei Radiomuseum.org finden Sie die vollständigen Hefte früherer Ausgaben als PDF zum Download.
- von Radiomuseum.org
- Modell: Teleclock 153-R - Metz Transformatoren- und
- Form
- Tischgerät, Tasten oder Druckknöpfe.
- Abmessungen (BHT)
- 450 x 210 x 195 mm / 17.7 x 8.3 x 7.7 inch
- Bemerkung
- UKW-Teil mit Transistoren. Eingebaute Präzisions-Schaltuhr der Fa. DIEHL mit automatischem, elektrischen Aufzug (1,5-V-Monozelle).
- Nettogewicht
- 6.4 kg / 14 lb 1.6 oz (14.097 lb)
- Originalpreis
- 449.00 DM
- Datenherkunft extern
- Erb
- Datenherkunft
- Handbuch VDRG 1964/1965
- Weitere Modelle
-
Hier finden Sie 584 Modelle, davon 457 mit Bildern und 308 mit Schaltbildern.
Alle gelisteten Radios usw. von Metz Transformatoren- und Apparatefabrik (ex TAM), Fürth
Sammlungen
Das Modell Teleclock 153-R befindet sich in den Sammlungen folgender Mitglieder.