- Country
- Spain
- Manufacturer / Brand
- Micafix Electrónica; San Sebastián
- Year
- 1962
- Category
- Broadcast Receiver - or past WW2 Tuner
- Radiomuseum.org ID
- 150712
-
- alternative name: Creig Electrónica
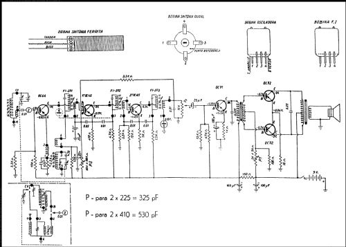
Click on the schematic thumbnail to request the schematic as a free document.
- Number of Transistors
- 6
- Main principle
- Superheterodyne (common); ZF/IF 455 kHz; 2 AF stage(s)
- Wave bands
- Broadcast and Short Wave (SW).
- Power type and voltage
- Dry Batteries / 2 x 4,5 Volt
- Loudspeaker
- Permanent Magnet Dynamic (PDyn) Loudspeaker (moving coil)
- from Radiomuseum.org
- Model: 580 - Micafix Electrónica; San
- Literature/Schematics (1)
- -- Schematic
- Author
- Model page created by Miguel Bravo-Cos. See "Data change" for further contributors.
- Other Models
-
Here you find 36 models, 4 with images and 30 with schematics for wireless sets etc. In French: TSF for Télégraphie sans fil.
All listed radios etc. from Micafix Electrónica; San Sebastián
Collections
The model is part of the collections of the following members.