Bühnenempfänger FE220-40
Mikrofontechnik Gefell, VEB - Microtech Gefell GmbH; Gefell (Thüringen)
- Country
- Germany
- Manufacturer / Brand
- Mikrofontechnik Gefell, VEB - Microtech Gefell GmbH; Gefell (Thüringen)
- Year
- 1989
- Category
- Commercial Receiver (may include amateur bands)
- Radiomuseum.org ID
- 259084
-
- alternative name: Microtech Gefell GmbH
Click on the schematic thumbnail to request the schematic as a free document.
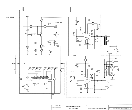
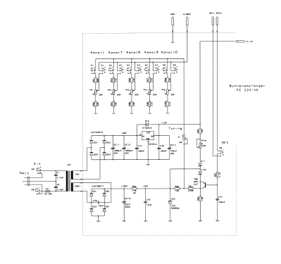
- Number of Transistors
- 7
- Semiconductors
- Main principle
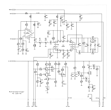
- Superhet with RF-stage; ZF/IF 10700 kHz
- Tuned circuits
- 11 FM circuit(s)
- Wave bands
- Wave Bands given in the notes.
- Power type and voltage
- Alternating Current supply (AC) / 220 Volt
- Loudspeaker
- Permanent Magnet Dynamic (PDyn) Loudspeaker (moving coil) / Ø 6.5 cm = 2.6 inch
- Power out
- 1 W (unknown quality)
- Material
- Metal case
- from Radiomuseum.org
- Model: Bühnenempfänger FE220-40 - Mikrofontechnik Gefell, VEB -
- Shape
- Tablemodel, with any shape - general.
- Dimensions (WHD)
- 342 x 105 x 250 mm / 13.5 x 4.1 x 9.8 inch
- Notes
-
Transistorisierter FM-Bühnenempfänger für drahtlose Mikrophone mit 5 Empfangskanälen von 35,7 bis 37,5 MHz mit Feinabstimmung. Antenneneingang 60Ω, AFC und Squelch schaltbar, Frontlautsprecher, 2 Tonbandausgänge mit jeweils +6dB und -14dB. 7 diskrete Transistoren, jeweils 4 Transistoren in 2 IC-Gehäusen, insgesamt 8 ICs. Alle Halbleiter mit russischer Beschriftung.
- Net weight (2.2 lb = 1 kg)
- 4.5 kg / 9 lb 14.6 oz (9.912 lb)
- Author
- Model page created by Manfred Rauschen. See "Data change" for further contributors.
- Other Models
-
Here you find 54 models, 49 with images and 18 with schematics for wireless sets etc. In French: TSF for Télégraphie sans fil.
All listed radios etc. from Mikrofontechnik Gefell, VEB - Microtech Gefell GmbH; Gefell (Thüringen)
Collections
The model Bühnenempfänger is part of the collections of the following members.