- País
- Austria
- Año
- 1933/1934
- Categoría
- Radio - o Sintonizador pasado WW2
- Radiomuseum.org ID
- 9714
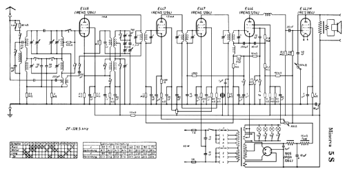
Haga clic en la miniatura esquemática para solicitarlo como documento gratuito.
- Numero de valvulas
- 6
- Principio principal
- Superheterodino en general; ZF/IF 128 kHz
- Número de circuitos sintonía
- 9 Circuíto(s) AM
- Gama de ondas
- OM, OL y OC
- Tensión de funcionamiento
- Red: Corriente alterna (CA, Inglés = AC) / 100-250 Volt
- Altavoz
- Altavoz electrodinámico (bobina de campo)
- Material
- Madera
- de Radiomuseum.org
- Modelo: Super 5 5S - Minerva-Radio Radiola-
- Forma
- Sobremesa alto de forma simple.
- Ancho, altura, profundidad
- 435 x 495 x 315 mm / 17.1 x 19.5 x 12.4 inch
- Anotaciones
- Abst.Anz.;ZF128,5
- Peso neto
- 21.5 kg / 47 lb 5.7 oz (47.357 lb)
- Precio durante el primer año
- 650.00 ATS
- Ext. procedencia de los datos
- E. Erb 3-907007-36-0
- Procedencia de los datos
- Radiokatalog Band 2, Ernst Erb
- Referencia esquema
- Lange + Schenk
- Otros modelos
-
Donde encontrará 629 modelos, 567 con imágenes y 451 con esquemas.
Ir al listado general de Minerva-Radio (Radiola-Radioapparate und Bestandteile W. Wohleber & Co) ; Wien
Colecciones
El modelo Super 5 es parte de las colecciones de los siguientes miembros.