- Land
- USA
- Hersteller / Marke
- Montgomery Ward & Co. (Wards, Airline); Chicago, IL
- Jahr
- 1946
- Kategorie
- Rundfunkempfänger (Radio - oder Tuner nach WW2)
- Radiomuseum.org ID
- 48270
-
- Marke: Airline or Air-Line
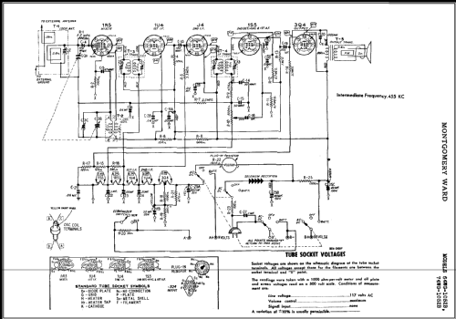
Klicken Sie auf den Schaltplanausschnitt, um diesen kostenlos als Dokument anzufordern.
- Anzahl Röhren
- 5
- Hauptprinzip
- Superhet allgemein; ZF/IF 455 kHz; 2 NF-Stufe(n)
- Anzahl Kreise
- 6 Kreis(e) AM
- Wellenbereiche
- Mittelwelle, keine anderen.
- Betriebsart / Volt
- Netz- / Batteriespeisung / AC/DC 105-125/ 90 & 9 Volt
- Lautsprecher
- Dynamischer LS, keine Erregerspule (permanentdynamisch) / Ø 5.25 inch = 13.3 cm
- Belastbarkeit / Leistung
- 0.12 W (Qualität unbekannt)
- von Radiomuseum.org
- Modell: 64WG-1052B - Montgomery Ward & Co. Wards,
- Bemerkung
- Selenium Rectifier.
- Datenherkunft extern
- Ernst Erb
- Schaltungsnachweis
- Rider's Perpetual, Volume 16 = ca. 1948 and before
- Weitere Modelle
-
Hier finden Sie 2333 Modelle, davon 1471 mit Bildern und 1829 mit Schaltbildern.
Alle gelisteten Radios usw. von Montgomery Ward & Co. (Wards, Airline); Chicago, IL