- Country
- United States of America (USA)
- Manufacturer / Brand
- Montgomery Ward & Co. (Wards, Airline); Chicago, IL
- Year
- 1946 ?
- Category
- Broadcast Receiver - or past WW2 Tuner
- Radiomuseum.org ID
- 48291
-
- Brand: Airline or Air-Line
Click on the schematic thumbnail to request the schematic as a free document.
- Number of Tubes
- 7
- Main principle
- Superheterodyne (common); ZF/IF 455 kHz; 2 AF stage(s)
- Tuned circuits
- 6 AM circuit(s)
- Wave bands
- Broadcast and Short Wave (SW).
- Power type and voltage
- Alternating Current supply (AC) / 105-125 Volt
- Loudspeaker
- Electro Magnetic Dynamic LS (moving-coil with field excitation coil) / Ø 10 inch = 25.4 cm
- Power out
- 2 W (unknown quality)
- from Radiomuseum.org
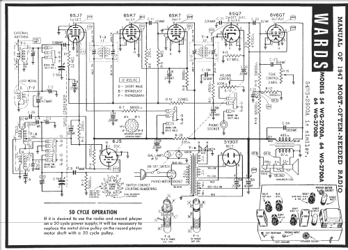
- Model: 64WG-2700B - Montgomery Ward & Co. Wards,
- Notes
- BC (528-1600 kHz) and SW (5.75-18.3 MHz) bands. Similar to model 54WG-2500A.
- External source of data
- Ernst Erb
- Circuit diagram reference
- Rider's Perpetual, Volume 15 = 1947 and before
- Mentioned in
- Rider's Changes 18-5, Rider's 15-31 to 15-35
- Other Models
-
Here you find 2338 models, 1472 with images and 1834 with schematics for wireless sets etc. In French: TSF for Télégraphie sans fil.
All listed radios etc. from Montgomery Ward & Co. (Wards, Airline); Chicago, IL