- Country
- United States of America (USA)
- Manufacturer / Brand
- Montgomery Ward & Co. (Wards, Airline); Chicago, IL
- Year
- 1948
- Category
- Broadcast Receiver - or past WW2 Tuner
- Radiomuseum.org ID
- 48419
-
- Brand: Airline or Air-Line
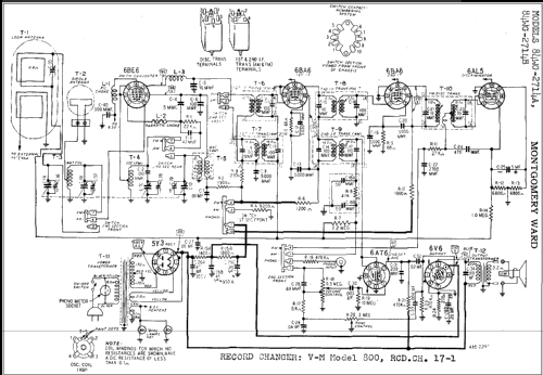
Click on the schematic thumbnail to request the schematic as a free document.
- Number of Tubes
- 7
- Main principle
- Superheterodyne (common); ZF/IF 455/10700 kHz
- Wave bands
- Broadcast (BC) and FM or UHF.
- Details
- Changer (Record changer)
- Power type and voltage
- Alternating Current supply (AC) / 105 - 125 Volt
- Loudspeaker
- Permanent Magnet Dynamic (PDyn) Loudspeaker (moving coil) / Ø 10 inch = 25.4 cm
- Power out
- 2.5 W (unknown quality)
- Material
- Wooden case
- from Radiomuseum.org
- Model: 84WG-2714B - Montgomery Ward & Co. Wards,
- Shape
- Console with any shape - in general
- External source of data
- Ernst Erb
- Circuit diagram reference
- Rider's Perpetual, Volume 19 = 1949 and before
- Other Models
-
Here you find 2338 models, 1472 with images and 1834 with schematics for wireless sets etc. In French: TSF for Télégraphie sans fil.
All listed radios etc. from Montgomery Ward & Co. (Wards, Airline); Chicago, IL