- Country
- United States of America (USA)
- Manufacturer / Brand
- Montgomery Ward & Co. (Wards, Airline); Chicago, IL
- Year
- 1952 ?
- Category
- Broadcast Receiver - or past WW2 Tuner
- Radiomuseum.org ID
- 48503
-
- Brand: Airline or Air-Line
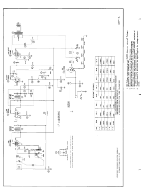
Click on the schematic thumbnail to request the schematic as a free document.
- Number of Tubes
- 5
- Main principle
- Superheterodyne (common); ZF/IF 455 kHz; 2 AF stage(s)
- Tuned circuits
- 6 AM circuit(s)
- Wave bands
- Broadcast only (MW).
- Details
- Record Player (not changer)
- Power type and voltage
- Alternating Current supply (AC) / 60Hz, 117V=110-120 Volt
- Loudspeaker
- Permanent Magnet Dynamic (PDyn) Loudspeaker (moving coil) / Ø 5 inch = 12.7 cm
- Power out
- 1.8 W (unknown quality)
- Material
- Various materials
- from Radiomuseum.org
- Model: 94GHM-934A - Montgomery Ward & Co. Wards,
- Shape
- Tablemodel, with any shape - general.
- Notes
-
Airline model 94GHM-934A is an AC operated radio-phono combination superheterodyne receiver with 3 speed manual record player.
- External source of data
- Ernst Erb
- Circuit diagram reference
- Rider's Perpetual, Volume 22, covering 1951
- Literature/Schematics (1)
- Photofact Folder, Howard W. SAMS (Set 167, folder 3, dated 5-52)
- Other Models
-
Here you find 2333 models, 1471 with images and 1829 with schematics for wireless sets etc. In French: TSF for Télégraphie sans fil.
All listed radios etc. from Montgomery Ward & Co. (Wards, Airline); Chicago, IL