Airline 15WG-1546B
Montgomery Ward & Co. (Wards, Airline); Chicago, IL
- Pays
- Etats-Unis
- Fabricant / Marque
- Montgomery Ward & Co. (Wards, Airline); Chicago, IL
- Année
- 1951 ?
- Catégorie
- Radio - ou tuner d'après la guerre 1939-45
- Radiomuseum.org ID
- 122153
-
- Brand: Airline or Air-Line
Cliquez sur la vignette du schéma pour le demander en tant que document gratuit.
- No. de tubes
- 8
- Principe général
- Super hétérodyne (en général); FI/IF 455/10700 kHz; 2 Etage(s) BF
- Circuits accordés
- 6 Circuits MA (AM) 8 Circuits MF (FM)
- Gammes d'ondes
- PO et FM
- Tension / type courant
- Alimentation Courant Alternatif (CA) / 60 Hz, 117V = 110 -120 Volt
- Haut-parleur
- HP dynamique à aimant permanent + bobine mobile / Ø 4.75 inch = 12.1 cm
- Matière
- Plastique moderne (pas de bakélite, ni de catalin)
- De Radiomuseum.org
- Modèle: Airline 15WG-1546B - Montgomery Ward & Co. Wards,
- Forme
- Modèle de table générique
- Remarques
-
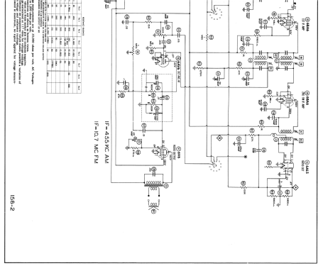
Airline model 15WG-1546B is an AC- operated FM-AM receiver.
- Schémathèque (1)
- Photofact Folder, Howard W. SAMS (Set 158, Folder 2, January 1952)
- Auteur
- Modèle crée par Walter Wiesmüller † May 2012. Voir les propositions de modification pour les contributeurs supplémentaires.
- D'autres Modèles
-
Vous pourrez trouver sous ce lien 2338 modèles d'appareils, 1472 avec des images et 1834 avec des schémas.
Tous les appareils de Montgomery Ward & Co. (Wards, Airline); Chicago, IL