Airline 25WG-3071B
Montgomery Ward & Co. (Wards, Airline); Chicago, IL
- Pays
- Etats-Unis
- Fabricant / Marque
- Montgomery Ward & Co. (Wards, Airline); Chicago, IL
- Année
- 1953 ?
- Catégorie
- Récepteur de télévision ou moniteur
- Radiomuseum.org ID
- 363119
-
- Brand: Airline or Air-Line
Cliquez sur la vignette du schéma pour le demander en tant que document gratuit.
- No. de tubes
- 23
- Lampes / Tubes
- 6BQ7 or 6BZ7 6J6 6CB6 6CB6 6CB6 6AL5 12AT7 6AH6 6AU6 6AU6 6AU6 6AL5 6AV6 6AQ5 6BE6 6BL7GT 6AL5 6SN7GTA 6BQ6GT 6W4GT 1B3GT 5U4G 21MP4
- Principe général
- Super hétérodyne avec étage HF
- Gammes d'ondes
- Bandes en notes
- Tension / type courant
- Alimentation Courant Alternatif (CA) / 60 Hz, 117V = 110 -120 Volt
- Haut-parleur
- HP dynamique à aimant permanent + bobine mobile / Ø 6 inch = 15.2 cm
- Matière
- Boitier en bois
- De Radiomuseum.org
- Modèle: Airline 25WG-3071B - Montgomery Ward & Co. Wards,
- Forme
- Modèle de table générique
- Remarques
-
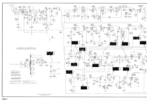
Airline model 25WG-3071B is a 21” b/w TV with US standard VHF tuner channels 2 thru 13. Equipped with VHF tuner 25A1095 and picture tube 21MP4.
- Schémathèque (1)
- Photofact Folder, Howard W. SAMS (Set 206, folder 2, dated 6-53)
- Auteur
- Modèle crée par Dirk Taekels. Voir les propositions de modification pour les contributeurs supplémentaires.
- D'autres Modèles
-
Vous pourrez trouver sous ce lien 2333 modèles d'appareils, 1471 avec des images et 1829 avec des schémas.
Tous les appareils de Montgomery Ward & Co. (Wards, Airline); Chicago, IL