Airline GAA-1019A
Montgomery Ward & Co. (Wards, Airline); Chicago, IL
- Produttore / Marca
- Montgomery Ward & Co. (Wards, Airline); Chicago, IL
- Anno
- 1959 ?
- Categoria
- Registratore audio/video e/o riproduttore
- Radiomuseum.org ID
- 150276
-
- Brand: Airline or Air-Line
Clicca sulla miniatura dello schema per richiederlo come documento gratuito.
- Numero di tubi
- 5
- Principio generale
- Amplificatore audio
- Gamme d'onda
- - senza
- Particolarità
- Giradischi+AmplifBF+Altoparlant
- Tensioni di funzionamento
- Alimentazione a corrente alternata (CA) / 110 - 120 Volt
- Altoparlante
- 4 altoparlanti
- Radiomuseum.org
- Modello: Airline GAA-1019A - Montgomery Ward & Co. Wards,
- Annotazioni
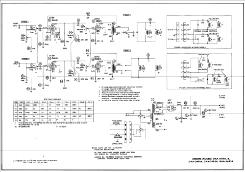
- AC operated stereo phono amplifier with 4 speed automatic record changer. Sams photofact set 496 folder 4 date 8-60 features the Airline models GAA-1019A, GAA-1019B, GAA-2691A, GAA-2692A and GAA-2693A as the same schematic.
- Letteratura / Schemi (1)
- Photofact Folder, Howard W. SAMS (Set 496 folder 4 date 8-60)
- Autore
- Modello inviato da Peter Hoddow. Utilizzare "Proponi modifica" per inviare ulteriori dati.
- Altri modelli
-
In questo link sono elencati 2333 modelli, di cui 1471 con immagini e 1829 con schemi.
Elenco delle radio e altri apparecchi della Montgomery Ward & Co. (Wards, Airline); Chicago, IL