Radio-Phone CB-2
Morrow Radio Mfg. Co., Moradco; Salem (OR)
- Pays
- Etats-Unis
- Fabricant / Marque
- Morrow Radio Mfg. Co., Moradco; Salem (OR)
- Année
- 1961 ?
- Catégorie
- Emetteur / récepteur CB
- Radiomuseum.org ID
- 141180
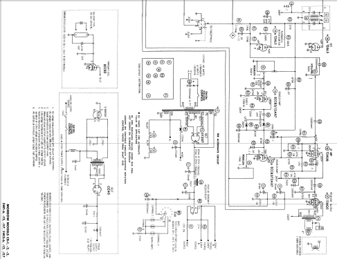
Cliquez sur la vignette du schéma pour le demander en tant que document gratuit.
- No. de tubes
- 11
- Principe général
- Super hétérodyne (en général); FI/IF 455 kHz
- Gammes d'ondes
- OC uniquement
- Tension / type courant
- Piles (rechargeables ou/et sèches) / 12 Volt
- Haut-parleur
- HP dynamique à aimant permanent + bobine mobile / Ø 4 inch = 10.2 cm
- Matière
- Boitier métallique
- De Radiomuseum.org
- Modèle: Radio-Phone CB-2 - Morrow Radio Mfg. Co., Moradco
- Forme
- Modèle de table générique
- Remarques
- Any CB channel 1 thru 23. Models CB-1, CB-2, CB-3, 5W1-6, 5W1-12, 5W1-117, 5W3-6, 5W3-12 and 5W3-117 are shown in one Photofact Folder. You find all pages at model 5W3-117.
- Source du schéma
- Photofact Folder, Howard W. SAMS
- Auteur
- Modèle crée par Heribert Jung. Voir les propositions de modification pour les contributeurs supplémentaires.
- D'autres Modèles
-
Vous pourrez trouver sous ce lien 19 modèles d'appareils, 11 avec des images et 10 avec des schémas.
Tous les appareils de Morrow Radio Mfg. Co., Moradco; Salem (OR)