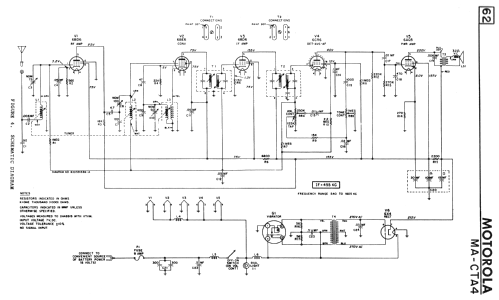
MA-CTA4 Ch= AA-465
Motorola Canada Ltd., Toronto
- Land
- Kanada
- Hersteller / Marke
- Motorola Canada Ltd., Toronto
- Jahr
- 1954 ?
- Kategorie
- Autoradio, evtl. kombiniert mit Tonspeichergerät
- Radiomuseum.org ID
- 309035
Klicken Sie auf den Schaltplanausschnitt, um diesen kostenlos als Dokument anzufordern.
- Anzahl Röhren
- 6
- Hauptprinzip
- Super mit HF-Vorstufe; ZF/IF 455 kHz; 2 NF-Stufe(n)
- Anzahl Kreise
- 7 Kreis(e) AM
- Wellenbereiche
- Mittelwelle, keine anderen.
- Betriebsart / Volt
- AKKU-Speisung (für alles, z.B. bei Autoradios und Amateurgeräten) / 6 Volt
- Lautsprecher
- Dynamischer LS, keine Erregerspule (permanentdynamisch)
- Material
- Metallausführung
- von Radiomuseum.org
- Modell: MA-CTA4 Ch= AA-465 - Motorola Canada Ltd., Toronto
- Form
- Chassis - Einbaugerät
- Bemerkung
-
The Motorola model MA-CTA4 is a 6-tube car radio. Has vibrator type B+ supply. May be similar to USA model CTA4.
- Literatur/Schema (1)
- Radio College of Canada (RCC) (Supplement 33)
- Autor
- Modellseite von Tom Seeger angelegt. Siehe bei "Änderungsvorschlag" für weitere Mitarbeit.
- Weitere Modelle
-
Hier finden Sie 100 Modelle, davon 79 mit Bildern und 91 mit Schaltbildern.
Alle gelisteten Radios usw. von Motorola Canada Ltd., Toronto