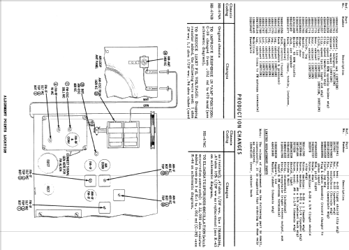
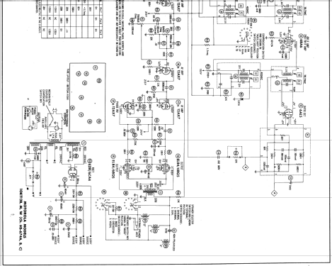
10KT12W Ch= HS-674C
Motorola Inc. (ex Galvin Mfg.Co. Chicago); Schaumburg (IL)
- Country
- United States of America (USA)
- Manufacturer / Brand
- Motorola Inc. (ex Galvin Mfg.Co. Chicago); Schaumburg (IL)
- Year
- 1959 ?
- Category
- Broadcast Receiver - or past WW2 Tuner
- Radiomuseum.org ID
- 145794
Click on the schematic thumbnail to request the schematic as a free document.
- Number of Tubes
- 10
- Main principle
- Superheterodyne (common); ZF/IF 455/10700 kHz
- Wave bands
- Broadcast (BC) and FM or UHF.
- Details
- Changer (Record changer)
- Power type and voltage
- Alternating Current supply (AC) / 110 - 120 Volt
- Loudspeaker
- 3 Loudspeakers
- Power out
- 10 W (unknown quality)
- Material
- Wooden case
- from Radiomuseum.org
- Model: 10KT12W Ch= HS-674C - Motorola Inc. ex Galvin Mfg.Co
- Shape
- Console, Lowboy (legs < 50 %).
- Notes
- AC operated AM - FM tuner with 4 speed automatic record changer. Sams photofact set 471 folder 10 date 1-60 features the Motorola models 10KT12B, 10KT12M and 10KT12W, all with 3 different chassis HS-674A, HS-674B and HS-674C as the same schematic. AM Tuning Range: 540 to 1600KHz, FM Tuning Range: 88 to 108MHz. Has 12" PM speaker, 6" PM speaker and 4" PM speaker. Uses Record Changer VM17RC. Cabinet is Walnut.
- Literature/Schematics (1)
- Photofact Folder, Howard W. SAMS (Set 471 folder 10 date 1-60)
- Literature/Schematics (2)
- - - Manufacturers Literature
- Author
- Model page created by Peter Hoddow. See "Data change" for further contributors.
- Other Models
-
Here you find 4653 models, 2980 with images and 4153 with schematics for wireless sets etc. In French: TSF for Télégraphie sans fil.
All listed radios etc. from Motorola Inc. (ex Galvin Mfg.Co. Chicago); Schaumburg (IL)